AC to AC optoisolator

I am replacing an EX100 PLC system with an Arduino Mega. The control voltage is 24VAC in the machine. There are 8 push buttons so can't use interrupts for each one.

I have used an ISR multiple times with a Common Interrupt Pin and array of pins for each push button. I want to use the following Push Button interrupt code:

attachInterrupt (digitalPinToInterrupt(common_Pin), isr_ReadPB, LOW);

void configure_Common (int common_Pin, int _arrayPins[], int _qnty)
{
pinMode (common_Pin, INPUT_PULLUP);

for (int i = 0; i < _qnty; i++) {
  pinMode (_arrayPins[i], OUTPUT);
  digitalWrite (_arrayPins[i], LOW);
}

void configure_Distinct (int common_Pin, int _arrayPins[], int _qnty)
{
pinMode (common_Pin, OUTPUT);
digitalWrite (common_Pin, LOW);

for (int i = 0; i < _qnty; i++) {
  pinMode (_arrayPins[i], OUTPUTINPUT_PULLUP);
}

}

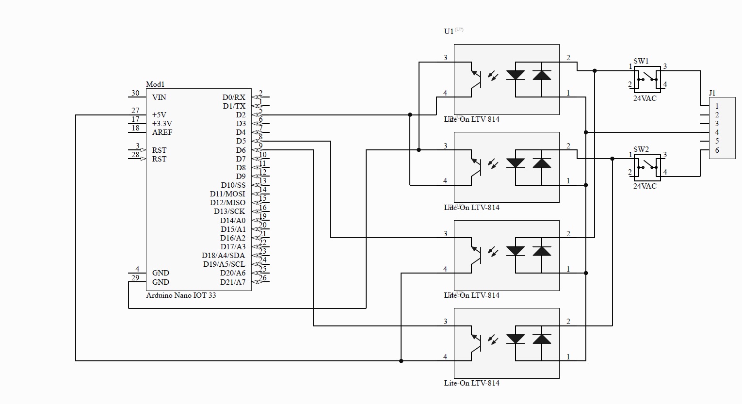
I was going to use 2 LTV814 optoisolator:
PB Circuit.pdf (110.7 KB)

Due to space, I need to reduce to a single chip for each push button. I looked for a optoisolator triac that has AC input. Can't find any!! I know a triac only shuts off when current is low. I tried the circuit with a DC input and every time the code changes from Common to Distinctive, it shuts the triac off and works fine.

I was hoping someone can direct me to one or an alternative.

Hello
Take a view here.

I am not sure what you are doing with your schematic. You can use one optocoupler and integrate the signal. The optocoupler on the schematic will detect AC, both phases. Add a capacitor to the output of th coupler ie. the input to the Arduino. Not sure what the pull up is but if it is the Arduino it will change from pin to pin and processor to processor. This will give you an input if a button is pushed. You can pole or use the pin change interrupt.

Thank you very much. I read over the SSR information and realized it was a simple solution. I put a 1N4007 diode in parallel to the MOC3023 LED, after the resistor.

The MOC3023 triac works great. Just like a PC814 optoisolator with a triac output.

Hi,
yes you can, it is possible to use interrupt for all arduino pins.
See this example para o UNO:

// Pin change interrupt for any pin

//-----------------------------
void pciSetup(byte pin)
{
  *digitalPinToPCMSK(pin) |= bit (digitalPinToPCMSKbit(pin));   // enable pin
  PCIFR  |= bit (digitalPinToPCICRbit(pin));                    // clear any outstanding interrupt
  PCICR  |= bit (digitalPinToPCICRbit(pin));                    // enable interrupt for the group
}
//----------------------------- // Use one Routine to handle each group
ISR (PCINT0_vect)               // handle pin change interrupt for D8 to D13 here
{
  digitalWrite(13, digitalRead(8) and digitalRead(9));
}
//-----------------------------
ISR (PCINT1_vect)               // handle pin change interrupt for A0 to A5 here
{
  digitalWrite(13, digitalRead(A0));
}
//-----------------------------
ISR (PCINT2_vect)               // handle pin change interrupt for D0 to D7 here
{
  digitalWrite(13, digitalRead(7));
}
//-----------------------------
void setup() 
{
  int i;
  for (i = 0; i <= 12; i++)       // set pullups, if necessary
    digitalWrite(i, HIGH);        // pinMode( ,INPUT) is default

  for (i = A0; i <= A5; i++)
    digitalWrite(i, HIGH);

  pinMode(13, OUTPUT);            // LED

  pciSetup(7);                    // enable interrupt for pin...
  pciSetup(8);
  pciSetup(9);
  pciSetup(A0);
}
//-----------------------------
void loop() 
{ }

ILD620-ILQ620AC optocoupler.

Hi, @wrager69

Why do you need interrupts, wouldn't polling the inputs be easier?

How fast do you need to respond to 8 PUSH BUTTONS?

Why do you need two optos per button?

Thanks.. Tom.. :smiley: :+1: :coffee: :australia:

I guess Mega has Pin Change Interrupt as Uno does. This can cause interrupt from any pin.
Anyway using interrupt for push buttons is usually not needed.

This is just like the PC8X4 but not a triac

Thank you. I am aware that I can use all digital pins for interrupts.

My circuit design was was implemented easier with just 1 ISR for all the buttons then a separate ISR for each.

Why do you need a triac to connect the GPIO pins? Triac is to drive a AC load. Where is you're ac load in the schematic?

I use code to read a change on 1 GPIO pin that triggers a ISR to read multiple PB states at once (see original post). Code below:

attachInterrupt (digitalPinToInterrupt(common_Pin), isr_ReadPB, LOW);

void configure_Common (int common_Pin, int _arrayPins[], int _qnty)
{
pinMode (common_Pin, INPUT_PULLUP);

for (int i = 0; i < _qnty; i++) {
  pinMode (_arrayPins[i], OUTPUT);
  digitalWrite (_arrayPins[i], LOW);
}

void configure_Distinct (int common_Pin, int _arrayPins[], int _qnty)
{
pinMode (common_Pin, OUTPUT);
digitalWrite (common_Pin, LOW);

for (int i = 0; i < _qnty; i++) {
  pinMode (_arrayPins[i], OUTPUTINPUT_PULLUP);
}

}

So, I need to read an input as an input first then as an output. Similar to a H-Bridge for a DC motor. This is why it needed to be triac.

This topic was automatically closed 180 days after the last reply. New replies are no longer allowed.