Ciao a tutti e scusate la domanda magari ovvia...
long story short: si è fulminata una scheda radio/led che avevo e siccome il costo di riparazione era astronomico l'ho soppiantata con arduino+componenti.
a fatica ho creato un programmino che tramite arduino ed un alimentatore esterno da 12v controlla una striscia di led cob di circa 1 metro attraverso un integrato ULN2803, e con una schedina Si4703 per ascoltare la radio, mediante interazione con dei bottoni microswitch collegati appunto ad arduino.
soddisfazione estrema per esserci riuscito ma ora ho un problema che sulla carta è semplice ma non so come risolvere:
voglio collegare arduino e led/ULN2803 all'alimentatore esterno da 12v, ma far accendere il tutto con la pressione di un tasto microswitch. NON il tasto 0/1 per intenderci (manca spazio/dimensioni per poterlo usare), ma una pressione del tasto che accende tutto, un'altra pressione che stacca alimentazione.
nessuna interazione con arduino in programmazione, un semplice effetto attacca/stacca la spina quando premo il microswitch
Non ho la minima idea di come fare, qualche aiuto per realizzarlo?
Prova a vedere qui:
Potrebbe essere un buon inizio
siccome arduino ha praticamente tutti i pin occupati pensavo di semplificare il tutto "creando" una sorta di alimentatore esterno comandato da un microswitch e connettere semplicemente vin e gnd, per non coinvolgere programmazione e altro...
una cosa simile a questa (che per altro ho provato ma non funziona, o sono io troppo stupido per non farla funzionare):
Ma metti lo schema
scusami ma non ti seguo.
se l'alimentatore è un elemento esterno, ad arduino devono arrivare solo vin e gnd.
il mio intento è quello di far si che un microswitch (di quelli classici normalmente aperti )alla pressione abiliti l'alimentatore, e alla successiva pressione si spenga.
come dicevo in partenza un po' come se attaccassi/staccassi la spina.
così taglio alimentazione sia ad arduino che alla striscia led/integrato
Mah... Quello schema è contorto, ma potrebbe anche funzionare...
Solo che nella sua realizzazione vedo una resistenza da 5,6 ohm al posto della inutile resistenza da 100k nello schema, perciò i LED li spegne togliendo l'alimentazione di nascosto!
lo schema dovrebbe essere questo (lo allego in foto anche se io ho un 558B invece che 557)), il problema è che ho provato con un tester a leggere il carico ed è sempre a 12 ![]()
che tenga premuto o no, leggo sempre 12v in uscita
e in questi momenti visto che mastico poco di elettronica mi sento sperduto
Dai un'occhiata a questo kit di pulsanti, l'ultimo della serie (quello con la testa blu) è un doppio deviatore a ritenuta, ed è abbastanza piccolo, altrimenti se hai un poco più di spazio ci sono anche questi.
Ciao, Ale.
ti ringrazio per la risposta ma posso solo usare microswitch normalmente aperti per un problema di spazio e di configurazione (il tasto è su una pcb coperta da un foglio plastico con pochi mm di pressione per poterlo premere.
avevo preso anche dei bottoni on/off (https://www.aliexpress.com/item/32872196282.html?spm=a2g0o.order_list.order_list_main.22.36991802Yi8j7Z) quasi microscopici, ma per essere attivati hanno bisogno di troppa escursione e ho dovuto ripiegare sul pensiero di un circuito di alimentazione esterna pilotato appunto da un microswitch
Più guardo lo schema e meno lo capisco
figurati io ![]()
riformulo la domanda da uomo della strada: dato un alimentatore da 12v, un microswitch (e qualche componente elettronico consigliato da voi+schemino) come faccio a "far uscire" dal circuito un cavo positivo da collegare a vin di arduino (e led/ULN2803) e negativo a gnd di arduino?
p.s ovviamente deve mandare tensione a 12v quando premo il microswitch, e rimanere così fino alla successiva pressione del microswitch che manda a 0v il tutto
Guarda uno di questi, ci sono di varie taglie a seconda della corrente. Ci dovrebbero essere anche gli schemi, ma forse fai prima a prenderlo già fatto.
Ciao, Ale.
grazie 1000!
La cifra non è così economica (a meno di 15 euro non sono riuscito a trovarlo su ebay/amazon), ma meglio così che non avere la soluzione ![]()
Bello il circuito
Lo conoscevamo ma non lo riteniamo adatto, perché consuma a vuoto (arduino spento)
Il CMOS no!
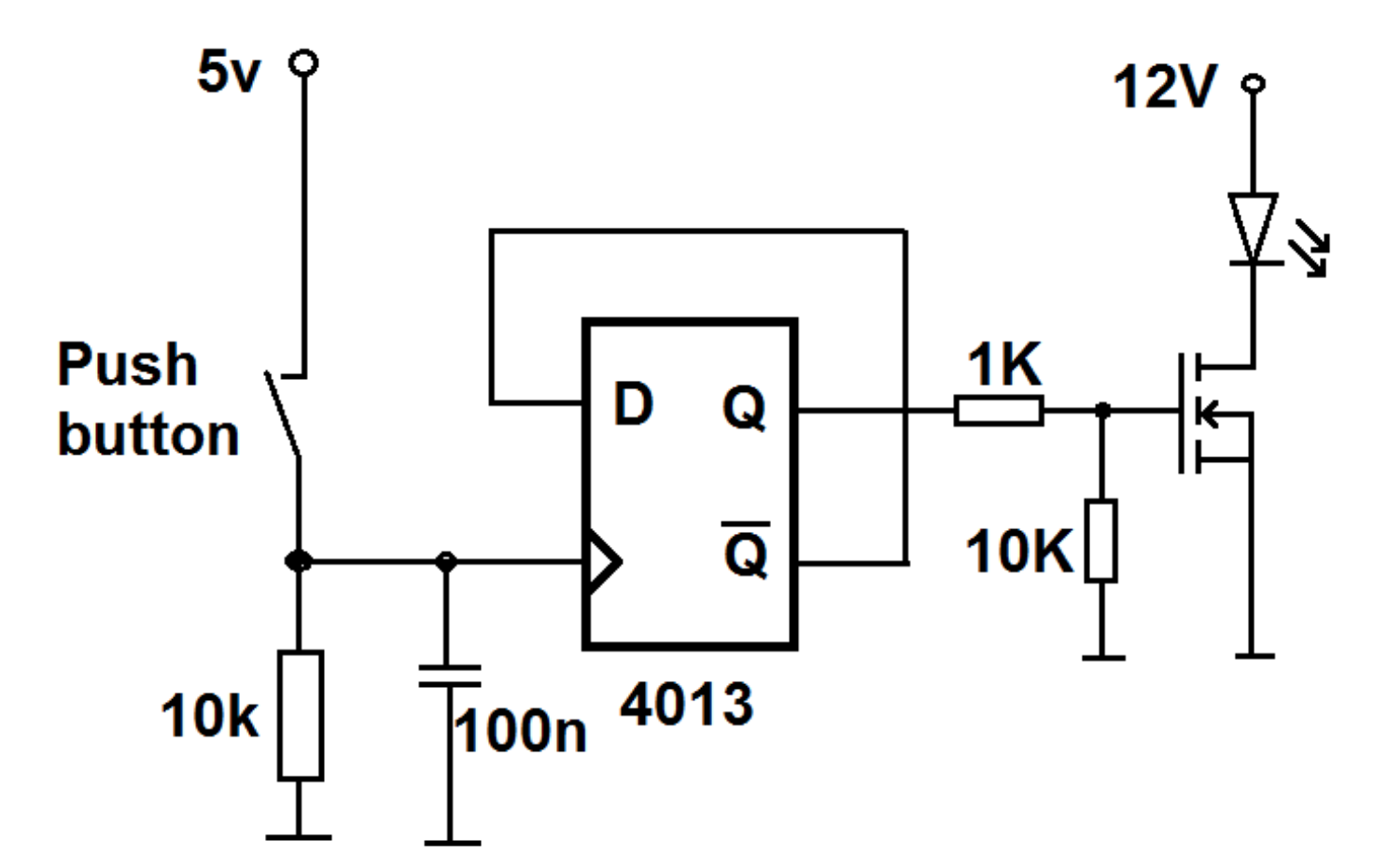
Un 4013 con Q negato e D collegati insieme.
scusatemi ma mi sono perso nelle vostre disquisizioni tecniche...
vuoi dirmi che con un CD 4013 usando il circuito nel tuo link: D-type flip flops
posso risolvere il mio problema?
Un CD4013 e un mosfet:
allora, ho guardato il circuito ma lo capisco poco, trattami pure come un bambino dell'asilo spiegandomi le cose ![]()
lo schema dovrebbe essere questo
e leggendo cosa dice subito dopo:i 5v non sono necessari e il bottone può essere collegato ai 12v.
quindi suppongo che quello che nel grafico è segnato come 12v in ingresso possa essere collegato direttamente ad un capo del bottone (eliminando i 5v).
ora la domanda è: da quel che vedo ci sono solo segnati 12v in ingresso e gnd, dove connetto il pin che avrà in alternanza 12v/0v?
come mosfet ho un IRFZ44N, dovrebbe essere ok, giusto (e nello schema il gate è in alto, e il source in basso o viceversa)?


