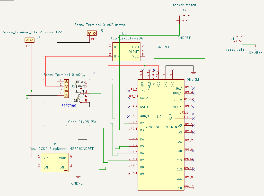
Hello, I'm wondering if I drew this correctly and if I need any more resistors or diodes. I'm using a 12V/7A max linear actuator via a BTS7960 motor driver module. It's powered by a 12V battery. There's an arduino pro mini and a step down module on 5V. I'm also using the ACS712 module to measure the current on the actuator. I move the actuator with a rocker switch up/down. I'm using INPUT_PULLUP in the code. I'm not an electronics engineer, I'm an IT guy, so I'm asking if I need to add any more protection.
I's up to you if you want to add some protection, like reverse polarity, and how much you are willing to waste battery for your protections. For example, it would be safer to supply 7V to RAW pin, but not as efficient.
At least add a fuse to the battery output.
-
I would add the external components so we can easily visualize the complete wiring.
-
Things could be rearranged better to document input/outputs in one area on the schematic and controller related in a different areas.
-
+1 for adding a battery fuse; a power switch and LED would be good too.
It’s always best to have a heartbeat LED to show program activity.
How do I properly connect flyback diodes for a motor?
You don't when you use H-bridge motor driver.
So I don't need diodes. What did you mean by "like reverse polarity" ?
Some people like to have protection for power supply (battery) connected with opposite polarity. I prefer non-symmetric connector that eliminates the risk.
As in swap + and - terminals on a battery.
Reverse polarity protection incorporated into a circuit detects when a power supply is incorrectly connected and could damage the circuit as a whole. A diode will block an incorrect supply. It always pays to look at the battery markings. I recently bought a 1/2 AA Lithium cell where normally the positive terminal is a "pip" and negative is the flat end. The one I had was reversed and the pip was negative.
Reverse polarity can also apply to connectors. Typically, an SMA antenna connector can be obtained as a reversed polarity version i.e. RP-SMA. RP is supposedly to prevent non-compliant antennas being used

