Come da oggetto, vi sarei grato se poteste verificare il circuito allegato al topic.
Il circuito, serve per comandare carichi da 220 Vac, tramite arduino.
Vista la tensione applicata sul circuito, si raccomanda di fare attenzione a chi volesse metterlo in pratica.
Magari, se è corretto, può essere utile a tanti altri.
Grazie anticipate!
scusate l'ignoranza ma che software si usa per fare questi disegni??
si usa un CAD elettronico... ovviamente ci sono quelli free e quelli a pagamento, secondo gli usi che si devono fare.
In questo caso ho usato Eagle, in versione free scarcabile all'indirizzo http://www.cadsoft.de/
Lo schema mostra come pilotare dei triac per alimentare apparecchiature che operano a 220V. Sono 3 circuiti identici.
Arduino usa i pin 1,2,3 per attivare altrettanti optoisolatori (OKx), che funzionano a bassa tensione e che a loro volta pilotano i triac su cui applichi il carico. Infatti sul connettore di uscita hai 3 fasi dirette della 220V e i 3 neutri che arrivano attraverso i triac.
Di solito si interrompe la fase, non riesco a dirti se è importante che debba essere così, nel qual caso ti dovresti prendere ogni volta la briga di controllare la presa a cui ti colleghi.
In questo modo Arduino non corre rischi in quanto è completamente isolato dal resto del circuito.
I carichi li devi applicare sulle coppie i piedini del connettore: 1-2, 3-4, 5-6.
ciao gladio
Alcune cose strane (se non errori)
- la tensione di rete da un po di anni é 230V e non 220V.
- non puoi mettere 2 triac in paralello; se uno da solo non regge la corrente predi uno piú potente.
- non usare il pin 1 di Arduino che viene usato per la seriale. Se lo collegi a qualcosa non ti funziona piú l'upload dei programmi.
- Il circuito di pilotaggio é piú complicato del necessario
- I triac hanno 2 contatti. Uno dei due deve andare verso il carico.

Ciao Uwe
Per iniziare, grazie per la tua risposta.
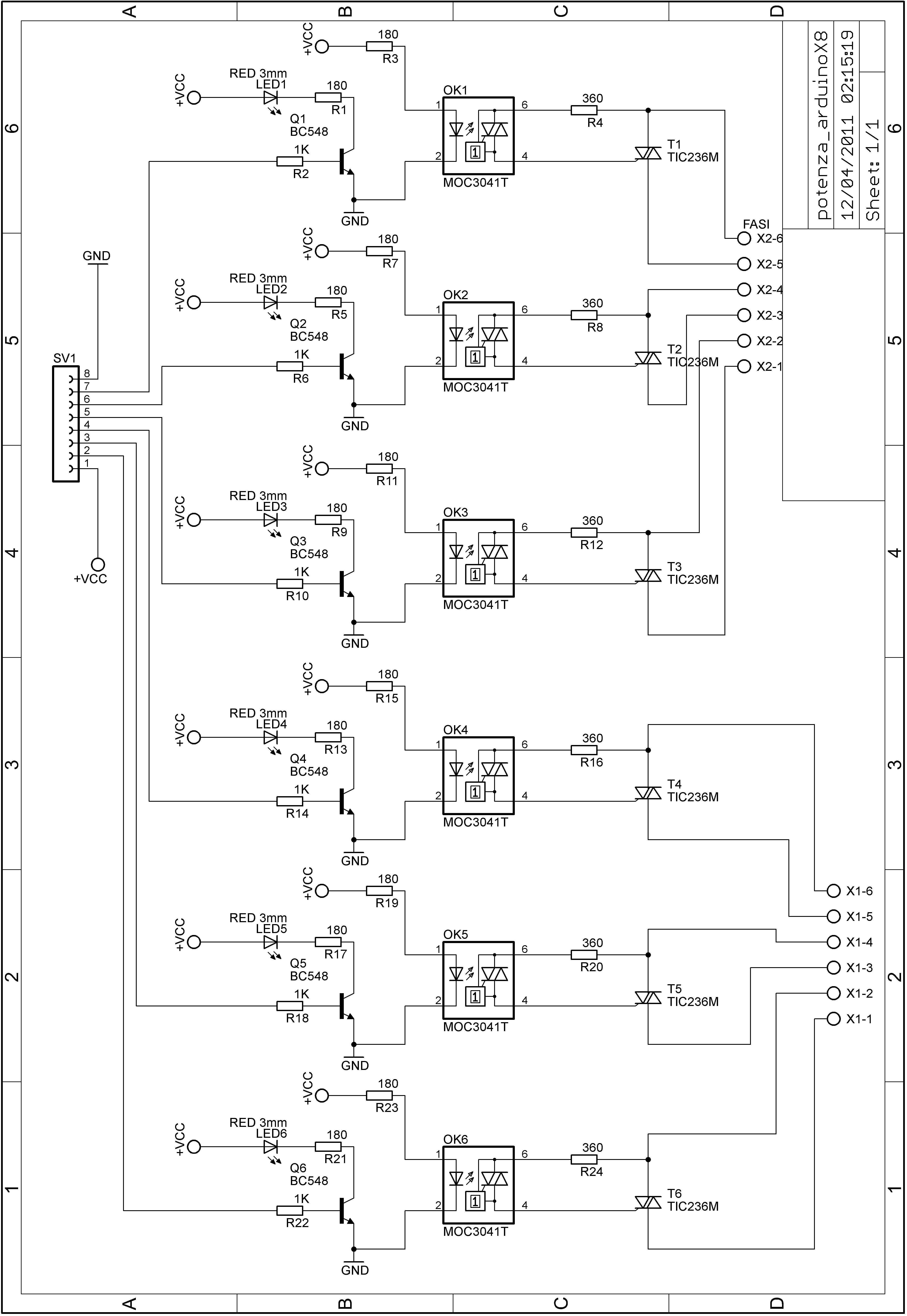
Gentilmente potresti spiegarmi il circuita da te proposto?
In particolare non capisco perchè hai messo l'NPN sul pin 2 del fototriac
Quando l' optocopler riceve tensione il triac di uscita conduce. Attraverso la resistenza sul gate del Triac lo accende.
Il transistore NPN serve per pilotare il LED verde e l' optocopler. Arduino dovrebbe riusire a pilotare anche direttamente l' optocoppler.
L' optocopler MOC3041 ha bisogo di almeno 15mA per pilotare il triac del uscita (hanno calcolato con 20mA). Aggiungendo i 15mA del led verde arriviamo a 35mA molto vicino alla corrente massima consentita per Pin di Arduino. Considerando che si potrebbero avere piú di 5 uscite siamo fuori con la corrente massima del pin di alimentazione. Se non usi un led aggiuntivo puoi anche pilotare direttamente il optocopler senza transistore.
Ciao Uwe
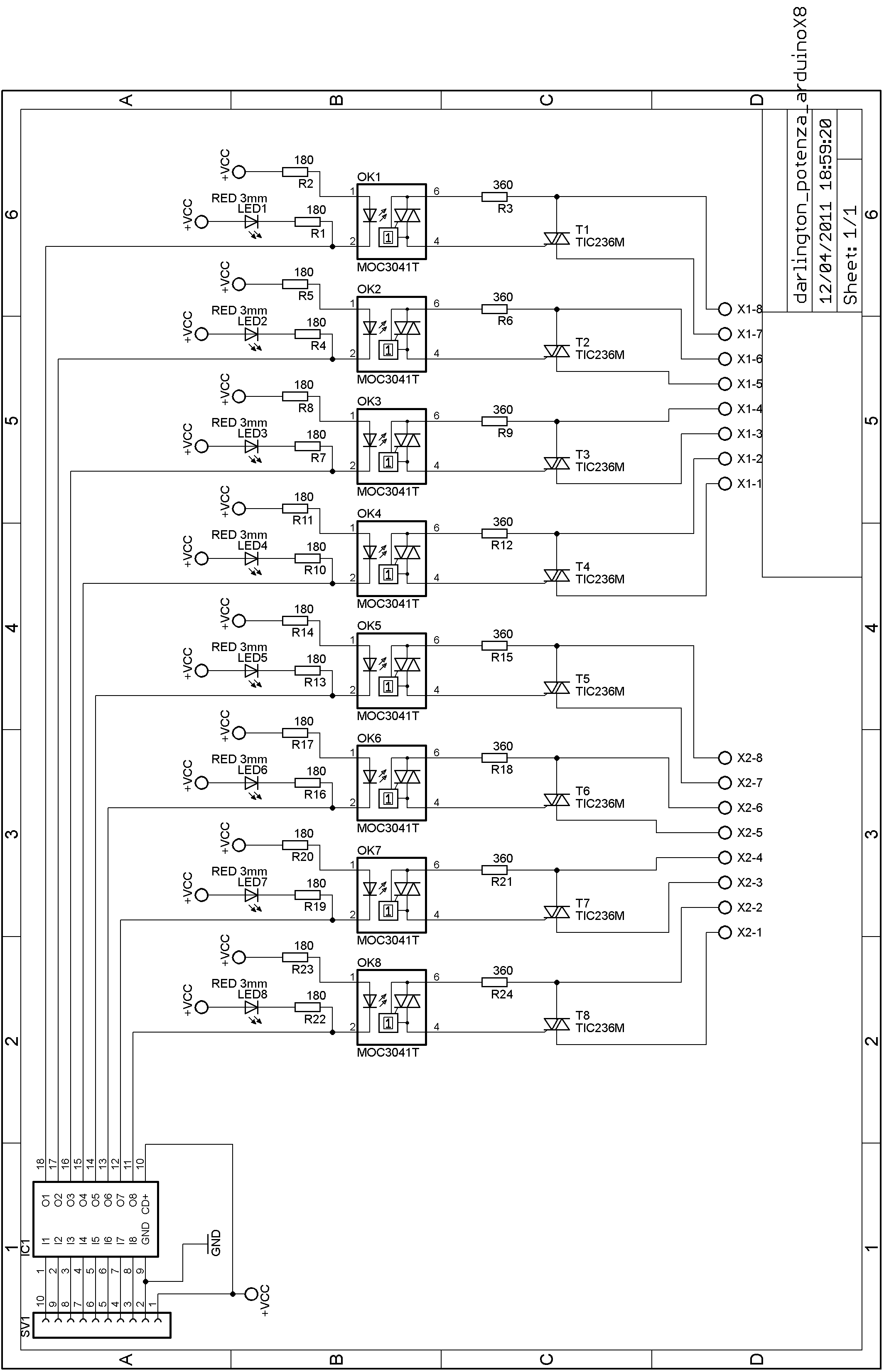
Salve, in base ai vostri consigli, ho rivisto tutto il circuito di comando per carichi di potenza.
Questa volta ho interrotto la fase.
Scusate ma sono molto arruginito in elettronica. ![]()
In attesa di vostri giudizi.... saluti
Non voglio dare giudizi, ma voglio dare aiuto.
Hai collegato l'optocopler in modo che é sempre acceso. Devi mettere il catodo del optocopler (pin 2) sul collettore del transistore e non su massa.
Usa un ULN2003 al posto dei 6transistori. È un array di 7 transistori dalington con resistenze base integrate. Ti risparmi spazio e costa di meno. Il ULN2803 é uguale al ULN2003 ma ha 8 uscite.
Ciao Uwe
Intanto grazie per le tue risposte UWE, ![]()
Hai collegato l'optocopler in modo che é sempre acceso. Devi mettere il catodo del optocopler (pin 2) sul collettore del transistore e non su massa.
Errore da somaro; me ne sono accorto da solo ![]()
Effettivamente, usando un array di transistori, si risparmia in : spazio, componenti e denaro.
Se questo sche ma è correto, passo al pcb, per condividerlo con gli altri.
Altriconsigli:
Il circuito secondo mé é giusto.
Avrai difficoltá di trovare resitenze da 360 Ohm. 330 o 390 Ohm vanno ugualmente bene.
20mA per il LED di stato é troppo. Se usi uno rosso Ti bastano anche 5mA percui una resistenza da 680Ohm.
Che correnti vuoi pilotare?
Prevedi che potresti dover montare un dissipatore. Il TIC236M ha la bandierina per avvitarlo al dissipatore collegato con MT2 (A2) (piedino centrale). Devi montare il triac in modo isolato oppure scegliere un altro modello tipo BTA12 che é isolato.
Ciao Uwe
Grazie per i consigli.
Cambierò la resistenza dei LEDs rossi, con una da 680 ohm.
Beh! avrei intenzione di pilotare alcune lampade in parallelo, elettrodomestici, elettrovalvole,ecc...
E' necessario mettere un dissipatore sui triac?
Altra domanda, posso alimentare tutti gli 8 led e gli 8 optpcoler con la 5V dell'arduino?
Devi montare il TRIC in modo isolato!
In che senso isolato? ti riferisci alla distanza min di sicurezza fra una pista e l'altra?
gladio:
...
Beh! avrei intenzione di pilotare alcune lampade in parallelo, elettrodomestici, elettrovalvole,ecc...
E' necessario mettere un dissipatore sui triac?
Altra domanda, posso alimentare tutti gli 8 led e gli 8 optpcoler con la 5V dell'arduino?Devi montare il TRIC in modo isolato!
In che senso isolato? ti riferisci alla distanza min di sicurezza fra una pista e l'altra?
Il dissipatore del triac TIC236M (parte metallica col buco per intenderci) é collegato internamente con il piedino A2 del triac. Questo vuol dir che il dissipatore é sotto tensione (quando il triac é acceso o puó darsi anche quando é spento) Se monti i triac su un unico disipatore fai un corto tra tutti i pin A2 dei triac e se accendi uno si accendono tutti i carichi rischiando di rompere quel triac. Ci sono dei kit di fissaggio e isolazione come questo:
dove c'é una lamierino di micanite, silicone oppure una ceramica, una rondella isolata e la vite col dado.
L' alternativa é usare il BTA12.
Il dissipatore serve a secondo del carico. Tra A1 e A2 quando conduce il triac ci sono ca 2V. con una corrente di 9A (2kW, per esempio: forno, stufa, aspirapolvere termosifone elettrico) hai una potenza di 18W da dissipare. Non ho trovato quanta corrente regge il triac senza disipatore aggiuntivo.
I LED e optocoppler quando tutti sono accesi consumano 20 e 5mA in totale 200mA.
Non li prenderei dal stabilizzatore presente sul Arduino.
Visto che colleghi il circuito ai 230V della rete userei un alimentatore da 5V per alimentare sia l' arduino e il circuito.
distanza min di sicurezza fra una pista e l'altra
ovviamnete devi considerare anche quello.
Considera anche che non superi la corrente massima della presa da dove prendi la corrente e prevedi dei fusibili (scusami, mi ero dimenticato prima) in serie agli triac.
Ciao Uwe
Che il dissipatore del TRIAC fosse collegato ad A2 ne ero allo scruro. Forse perchè si sono dimentacati di dircelo all'ITIS. ![]()
Ad ogni modo penso che, optero per i BTA12 della ST con dissipatore isolato (molto più sicuro).
Se non ricordo male, quando il triac è innescato, tra i terminali principali (A1-A2) si sviluppa una tensione di 1 o 2 volt, che deriva dalla saturazione. Quindi se un triac commuta un carico che assorbe 10A a 230V e vi è un potenziale di saturazione di circa 1,5V, la potenza controllata è di 2300W, nel triac va persa una potenza di 15W - 20 W.
Ora dal datasheet del BTA12, http://www.st.com/stonline/products/literature/ds/7473/bta12.pdf
se non ho letto male, la max potenza dissipabile è di 14 W, quindi serve necessariamente un dissipatore.
Per quanto riguarda il fusibile, mi ero posto anch'io il problema, ed ho inserito un fusibile in serie ad A2 del TRIAC... come nella figura allegata.
Il fusibile di quanto dovrà essere? (domanda stupida)
Per dovere di cronaca, nel caso in cui, si dovesse pilotare carichi induttivi, bisogna mettere in parallello al TRIAC un seri R - C per evitare che rimanga innescato
Per dovere di cronaca, nel caso in cui, si dovesse pilotare carichi induttivi, bisogna mettere in parallello al TRIAC un seri R - C per evitare che rimanga innescato
Sicuro che evita che rimanga innescato o si tratta di uno snubber, avevo letto tanto una decina di anni fà ora ricordo poco.
Comunque un circuito snubber va sempre inserito nel progetto definitivo, altrimenti ti ritrovi con distrurbi nella linea ma anche altrove, oppure un filtro CLC lo vendono già pronto, se le potenze in gioco sono dell'ordine dei kilowatt, puoi usare un ricambio di lavatrice, che alla vista sembra un condensatore ma è un filtro.
Ciao.
si tratta certamente di uno snubber per sopprimere l'aumento veloce nella tensione attraverso il triac.
Da quello che c'è scritto sul libro, quando il triac disinnesca, la corrente dei terminali A1, A2 cade a zero, al termine di ciascun periodo, di conseguenza, si hanno dei forti picchi instantanei di tensione che derivano proprio dalle differenze di fase, e che sono applicati al triac. Se il rapporto di salita di queste tensioni di commutazione superano il valore critico, possone re-triggerare il triac che in tal modo rimarrebbe continuamente innescato. Il fenomeno può appunto essere superato con l'inserimento di R e C per evitare ogni innesco spurio, limitando il rapporto di crescita delle tensione al valore di sicurezzaa di circa 1 V / µs.
R= 100 ohm C= 0,1 uF
ma che tipo di resistenza e condensatore ci vorrà? Il condensatore deve essere sicuramente per tensione elevate, e la R da 5W andrà bene?
gladio:
Che il dissipatore del TRIAC fosse collegato ad A2 ne ero allo scruro. Forse perchè si sono dimentacati di dircelo all'ITIS.
Per la cronaca su tanti transistori/triac/tiristori il dissipatore é collegato con un piedino; averlo isolato é una cosa speciale.
gladio:
Ad ogni modo penso che, optero per i BTA12 della ST con dissipatore isolato (molto più sicuro).
Se non ricordo male, quando il triac è innescato, tra i terminali principali (A1-A2) si sviluppa una tensione di 1 o 2 volt, che deriva dalla saturazione. Quindi se un triac commuta un carico che assorbe 10A a 230V e vi è un potenziale di saturazione di circa 1,5V, la potenza controllata è di 2300W, nel triac va persa una potenza di 15W - 20 W.
Ora dal datasheet del BTA12, http://www.st.com/stonline/products/literature/ds/7473/bta12.pdf
se non ho letto male, la max potenza dissipabile è di 14 W, quindi serve necessariamente un dissipatore.
Giusto. Rigurda il la massima potenza senza dissipatore ho trovato dati solo per l' involucro D2PAK. Non per il TO220.
gladio:
Per quanto riguarda il fusibile, mi ero posto anch'io il problema, ed ho inserito un fusibile in serie ad A2 del TRIAC... come nella figura allegata.
Il fusibile di quanto dovrà essere? (domanda stupida)
Fusibile per la corrente massima del triac.
gladio:
Per dovere di cronaca, nel caso in cui, si dovesse pilotare carichi induttivi, bisogna mettere in parallello al TRIAC un seri R - C per evitare che rimanga innescato
Meglio metterlo sempre.
Un R= 100 Ohm, 1/2 W e un C=0,1µF per 400V X2 in serie.
Esistono condensatore e resistenza gia intergrata. esempio:
Ciao Uwe
Meglio metterlo sempre.
Un R= 100 Ohm, 1/2 W e un C=0,1µF per 400V X2 in serie.
Esistono condensatore e resistenza gia intergrata. esempio:
http://it.rs-online.com/web/search/searchBrowseAction.html?method=getProduct&R=2067881
azz... quanto costano € 2,10 a pz. beh! servono!
Domani modifico il curcuito...
Se non ho fatto male i conti, per realizzare un protoyipo completo di questa scheda di controllo, siamo sui € 70,00 $) ![]()
Ad ogni modo, grazie per i consigli UWE ![]()
finalmente l'ho finito!
Speriamo sia giusto ![]()
allego schema e pcb.... in attesa dei vostri giudizi...saluti
Per il circuito snubber consigliavo 100 Ohm e 0,1µF non 1µF.
CIao Uwe





