solo per il gusto di fare l'avvocato "di me stesso" (
:D) ... tanto per cominciare, invece di riutilizzare la vecchia (e probabilmente ormai un po "cotta", dato che quelle capsule hanno una "scadenza", anche se di diversi anni) capsula, ti consiglierei di passare alle nuove tecnologie ... i sensori MEMS sono ancora poco diffusi, ma ci sono capsule del tipo "microbeads" come ad esempio Figaro TGS 2612-D00 e simili che consumano 55-60mA, e gia li riduci il consumo di due terzi ... o anche i prodotti della Winsen, ad esempio MP-5 ...
E se ci sono problemi nell'autocostruzione, sempre la Winsen vende un modulino gia fatto con quel sensore a bordo, piu alimentazione, MCU, e circuiti di contorno, ZP-04, praticamente un detector completo a cui devi solo aggiungere rele', morsetti, pulsanti e cicalino ... e consuma solo 80mA ...
se invece vuoi riciclare quella capsula ed ha piu di 5 o 6 anni, sarebbe il caso prima di testarla, per controllare che ancora funzioni, prima di spendere per il resto ... 
Ok Standardoil…. grazie per il tempo che mi stai dedicando …. 
Premetto che domani cercherò di ottenere ulteriori informazioni facendo altre prove sul campo…. Comunque dalle prove effettuate fino ad oggi e la conferma di informazioni raccolte in rete su siti americani, posso dichiarare con certezza che la valvola si attiva con una tensione di circa 9volt ed una corrente di circa 1A ma questo tipo di alimentazione non può essere mantenuta pena la rottura della bobina….
Per mantenerla aperta è sufficiente una tensione costante di circa 1,5volt con l'assorbimento che si attesta a circa 165/175 mA.
Sia il circuito originale che l’attiny hanno un consumo costante di circa 180 mA con i 12V di alimentazione (la corrente è quasi tutta assorbita dal sensore Gas TGS813 (valori data sheet - Heater current (Rh) approx. 167mA. Heater power consumption (Ph) approx. 835mW )
C’è solo un led che rimane acceso per 10 millisecondi ogni 2 secondi e l’attiny85 (valori di corrente trascurabili)
Ecco perché mettendo i circuiti in serie, automaticamente assumono valori di tensione di circa 10,5 volt per il circuito controllo e 1,5v per la valvola assorbendo in toto circa 175 mA.
Assorbimento accettabile visto che il circuito viene lasciato acceso solo durante le giornate di utilizzo e spento durante il rimessaggio….
Alimentando i circuiti in maniera indipendente si hanno trasformazioni di corrente in calore importanti per la necessaria riduzione delle tensioni di alimentazione
Il problema si pone esclusivamente per lo spunto iniziale e naturalmente per la chiusura valvola in caso di allarme Gas….
La fluttuazione dell’alimentazione sul circuito di controllo (7/15V) non crea nessun problema perché il circuito è controllato dal 7805…
PS
non ho capito il punto 3… la valvola si disattiva togliendo per qualche millisecondo l’alimentazione e anche ripristinando la tensione di mantenimento di 1,5volt rimane disattivata fino a quando non riceve un ulteriore impulso… 
narciso1960:
non ho capito il punto 3… la valvola si disattiva togliendo per qualche millisecondo l’alimentazione e anche ripristinando la tensione di mantenimento di 1,5volt rimane disattivata fino a quando non riceve un ulteriore impulso… 
Il problema è che se metti il circuito in serie sulla valvola togliere alimentazione alla valvola la toglie anche al circuito
E quindi rimane da definire il funzionamento:
Fase 1 accensione:
Il sistema si accende, scalda il sensore, se tutto ok accende la valvola, corrente assorbita 180 mA, tensione almeno 7/8 volt (5volt all'uscita del regolatore)
Fase 2 attivazione valvola
La valvola chiede 1.2A con 9 volt
Siccome il circuito richiede circa 8 volt di suo...
I conti non tornano
Questa strada non è possibile
Metodo alternativo
Fase 1 accensione e attivazione valvola
Un transistor bypassa il circuito e alimenta direttamente la valvola
Dopo il tempo dovuto al condensatore il transistor togli alimentazione alla valvola, che rimane alimentata solo dal circuito
Si scalda il sensore, la corrente del circuito e del sensore tengono attiva la valvola
Fase 2 marcia normale
Se il sensore da allarme il circuito taglia alimentazione alla valvola
La valvola si spegne
MA
Si spegne anche il circuito
Ora il problema è evitare che il circuito spento ridia corrente alla valvola
...potrei ricavare il circuito dal vecchio stampato, se l'avessi ... ma dato che non ce l'ho, tiro ad indovinare ...
Accensione, il circuito NON attiva il solenoide perche' i 165mA non bastano ad azionarlo da chiuso ma solo a mantenerlo aperto ... il sistema scalda la capsula e fa le misure, nel frattempo uno degli operazionali ritarda le operazioni ... dopo un certo tempo, se la capsula ha raggiunto il valore corretto (niente gas e capsula OK), un'altro degli operazionali da un breve impulso al transistor che "cortocircuita" il positivo prima dei diodi (i due nella foto, che immagino separino le solite due batterie dei camper, principale e di servizio) sul solenoide facendolo scattare, nel frattempo un condensatore mantiene "piu o meno" alimentato anche il resto (nelle realizzazioni di quel genere, "approssimazioni" varie c'e' sempre da aspettarsele
) ... se il solenoide e' sufficentemente veloce e l'impulso che chiude il transistor abbastanza corto, alla riapertura il circuito continua a funzionare come al solito, finche' non rileva il gas, a questo punto si "suicida", elettricamente parlando, togliendo l'alimentazione per il tempo necessario a far aprire il solenoide, poi torna in funzione, ma a questo punto siamo di nuovo nella condizione iniziale, corrente insufficente a far riarmare il solenoide ...
... c'e' solo un punto che non mi convince ... a meno che sul rilevatore originale non ci sia un tasto o un'interruttore per resettare la condizione di allarme, per far ricominciare il ciclo "attesa riscaldamento - controllo iniziale - riarmo" ... perche' in automatico con solo 4 operazionali e nient'altro non mi immagino come riprodurlo, e non sarebbe neppure una cosa sicura, ma se c'e' un reset manuale, allora la cosa ha un po piu di senso ... non mi sembra di vedere pulsanti di reset pero' sul circuito ... sempre tirando ad indovinare, non e' che e' fatto con l'interruttore, che per resettare devi spegnere e riaccendere ?
ottima intuizione... credo che hai fatto una ottima ricostruzione... in effetti nel circuito (sopra i diodi) era presente un interruttore che serviva sia per accendere che per resettare il sistema (spegnendo e riaccendendolo).. tra l'altro, la necessità di sostituire questa centralina di controllo gas non è perchè non funzioni.... in considerazione che ho installato un circuito RFID che, quando esco dal camper e mi allontano, non rilevando più il TAG, dopo circa 2 minuti chiude la porta, inserisce l'allarme e stacca tutte le utenze (a meno che non servano).... al mio rientro, rilevando il TAG a qualche mt dalla porta, esegue le operazioni inverse... stacca l'allarme, apre la porta e riallaccia le utenze (se erano state disabilitate in uscita)... e qui che è nata la problematica del sensore gas....
infatti appena viene rimessa l'alimentazione, va in stato di allarme e quindi bisogna spegnerlo e riaccenderlo manualmente.. situazione antipatica e scomoda...
non riuscendo a modificare questo tipo di funzionamento, ho deciso di provare a realizzarne un altro simile che potessi controllare più facilmente....
cmq vorrei fare un aggiornamento dello stato dell'arte....
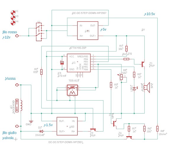
premetto che a forsa di fare prove, non so per quale motivo, il 7805 è andato in corto riversando i 12 v su tutto il circuito e quindi fottendomi sia il sensore TDS813 che l'attiny85...
nel circuito che inseriro in allegato ho solo testato positivamente la regolare attivazione della valvola... il controllo dello spegnimento non sono riuscito a farlo in tempo...

in teoria sulla carta dovrebbe funzionare ma appena posso cercherò di provarlo sul campo...
in pratica, all'accensione il pin 2 dell'attiny è in stato LOW e quindi il T2 conducendo permette al sensore di scaldarsi.... i due circuiti in relazione ai loro assorbimenti (che sono fissi) già si prendono le tensioni di riferimento corrette, circuito sensore circa 10,5v e elettrovalvola circa 1,5/1,8v.. dopo il test iniziale il pin 5 da un impulso di pochi millisecondi al T3 e quindi T4 permette alla elettrovalvola di attivarsi mentre il circuito inizia il suo regolare controllo.... in caso di allarme, il pin 2 va in stato HIGH e T2 toglie l'alimentazione solo al sensore TGS813 e portando la corrente assorbita dal circuito di controllo a soli 10mA circa.. in queste condizioni l'alimentazione 12v si livella nuovamente con valori di 0.5v sulla valvola e circa 11,5v sul circuito di controllo... in questo modo la valvola dovrebbe diseccitarsi completamente ma come ho detto non sono riuscito a controllarla sul campo.....cosa ne pensate?
Be', tanto per cominciare, se posso darti un suggerimento, sostituirei il 7805 con una cosa tipo questi o simili ... cosi oltre ad essere piu efficente e consumare meno, scalderebbe anche di meno ...
Poi ho visto che su quel circuito era presente una resistenza di potenza, riesci a vedere come era connessa ? ... mi sembra strano che ci sia ... da 10 ohm, almeno ... non e' che l'hanno usata in serie al 7805 per non friggerlo dato che abbassare da 12 a 5 gli farebbe dissipare un sacco di potenza in calore e non vedo dissipatori ? ... se si, e' da ripensare un po al tutto ...
Inoltre ho un'altro dubbio, perche' pilotare il TGS con un transistor ? ... in teoria dovrebbe essere sempre alimentato ...
all'ultima domanda ti rispondo io
se non lo spegni (all'accensione il problema non si pone) la corrente assorbita dal circuito non scende sotto il valore di mantenimento della valvola
spegnerlo serve proprio per spegnere la valvola
ma lo sgancio non lo fa scollegando momentaneamente se stesso ?
cioe' in pratica usa la corrente del riscaldatore come mantenimento ? ... ma che bella pensata ... quei TGS di solito hanno una resistenza interna di circa 30 ohm, dal datasheet ... piu la caduta del regolatore, che dissipa tutto il resto in calore ... piu magari la resistenzona aggiunta stile accrocchio (parlo del circuito originale) ... mi sembra l'opera di uno dei tuoi "ingannieri" ... 
A me invece sembra una cosa intelligente
Si tratta di ricordarsi che di lavora in serie, non in parallelo
Le tensioni hanno pocanimportanza, sono le correnti che importano
Come per lavorare in parallelo hanno sviluppato una serie di 'cosi' tutti alle stesse tensioni normalizzate
In serie avranno sviluppato magari una coppia valvola-sensore alla stessa corrente
Non è così strano, le radio a valvole erano spesso così, filamenti in serie
buono il suggerimento del convertitore DC-DC... non ne avevo visto di quelle dimensioni... normalmente utilizzavo LM2596.... anche se ho una valanga di 7805...
cmq ho già provveduto ad ordinarne qualcuno....
la resistenza da 10 ohm è tra l'alimentazione ed il collettore del Tip41 mentre l'emettitore da l'impulso alla valvola... per quanto riguarda lo stabilizzatore a 5 volt nel circuito originale in realtà monta un LM2940L....
cmq secondo voi, è fattibile l'ipotesi di schema per lo sgancio della valvola, magari modificando il T2 sul positivo con un mosfet IRF520 sul negativo del sensore? simulando i carichi con delle resistenze il gioco corrente/tensione sembra concordare.... sulla carta....

Beh
Io sono partito rovescio rispetto a te
Siccome lo hanno fatto...
Ho pensato a come lo hanno fatto
E poi, uno stabilizzatore su carico costante garantisce una corrente costante
E qui, a parte il conosciuto consumo del sensore, cosa cambia?
Al massimo un led e qualche corrente di base
Un nulla per la corrente di bobins
Ok… ho provato a modificare lo schema con le indicazioni di Etemenanki….
spero di essere riuscito a comprenderlo… 
allora, un vantaggio è quello di non avere una ’stufetta’..... con il 7805....
per quanto riguarda le correnti in gioco, avendo i convertitori un rendimento di circa il 90%, in considerazione che il consumo del circuito di controllo è di circa 180mA a 5 volt e per la valvola di circa 180mA a 1.5 volt, sui 12 volt di alimentazione mi dovrei trovare un assorbimento per il circuito di circa 85 mA e per la valvola, di circa 25mA, per un totale di 110 mA circa, contro i 175mA del circuito precedente…!? È giusto come calcolo?
Il funzionamento è simile perché per disattivare la valvola in precedenza interrompevo l’alimentazione del sensore mentre per questa variante devo interrompere l’alimentazione del convertitore che tiene alimentata a sua volta la valvola….
Mi sto perdendo????

Qualche consiglio in merito???