Gianky00:
I = V / R = 9.44 / 56 = 168mA
W = 9.44 * 0.168 = 1.58W
(mi aspettavo decisamente di più)
penso proprio di acquistare (ammesso che la corrente utilizzata di arduino fosse di 300mA) un altro pannello e collegarli in parallelo
Soluzione quasi giusta... è vero che collegandoli in parallelo si avrebbe la somma delle correnti, ma si sarebbe sempre con una tensione "boccheggiante" tra troppo poco (sotto gli 8 V) e appena appena giusta (a 12), ma comunque difficile da usare per caricare batterie.
Invece vanno collegati in serie, e fatti seguire da uno step-down switching a 5V, in questo modo anche se il singolo pannellino erogasse ad esempio solo 0.15A e 6V, all'uscita dello step-down si potrebbero prelevare 5V 360mA, che probabilmente sono già più di quello che servirà nella realtà.
Inoltre avere una tensione doppia in partenza, che in condizioni di normale illuminazione dovrebbe sempre essere sopra i 16V, permette di non avere davvero nessun problema a caricare una comune batteria tampone da 12V interposta tra il pannello e lo step-down.
Tra il sistema Arduino che probabilmente assorbirà meno dei 300mA ipotizzati inizialmente, e un pannello doppio (senza problemi di tensione troppo bassa), i conti energetici cominciano a tornare, e il problema si riduce ad usare una batteria abbastanza capiente da superare i periodi bui... anche perché inevitabilmente in estate, con pieno sole e batteria carica, gran parte dell'energia in arrivo viene semplicemente buttata e non sarà utilizzabile in inverno quando invece mancherà.
La batteria, per non complicare le cose, deve essere caricabile a tensione costante e corrente limitata, quindi al piombo o al litio-ferro. Invece le Ni-Cd o le Ni-Mh richiedono corrente costante con tensione limitata, molto più difficile da gestire.
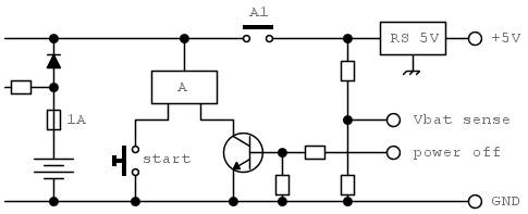
Usando due step-down switching questa può essere una soluzione:

Un parziale miglioramento sarebbe quello di costruire da zero lo step-down di ricarica della batteria in modo da non disperdere neppure quel watt e mezzo sulla resistenza quando la batteria è totalmente scarica (11V) e con piena illuminazione assorbe mezzo ampere dai 14V (condizione comunque temporanea, ma che avviene guarda caso nel momento peggiore in cui bisognerebbe usare tutta l'energia disponibile in quel momento).
Poi un'inseguitore solare a due assi (naturalmente comandato da Arduino con due servocomandi) aiuterebbe ancora
Comunque visto l'uso, che non è quello classico di rivendere la massima quantità di energia prodotta durante l'anno, ma autoconsumare totalmente quella prodotta soprattutto quando scarseggia, i pannelli secondo me andrebbero orientati per avere il massimo rendimento in gennaio (a gennaio un pannello orientato contro il sole di mezzogiorno capta meno di un terzo della potenza che capta in giugno, sempre orientato contro il sole di mezzogiorno).