Hello everyone, first time posting here!
I have a Roland TD-17 electric drum kit that has a MIDI out jack. I am sending the MIDI into an UNO to control 4 meters of an Adafruit Neopixel strip. I've managed to get the LEDs quite responsive however I am running into an issue where the LEDs get "stuck" lit up when hitting multiple drums at once. This does not always occur but if I really overload it with "overlapping" MIDI notes (not really because serial port) it happens more often. Here is a video I have uploaded to Youtube showing the issue:
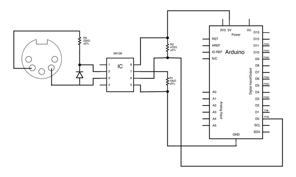
I've attached the schematic I followed to receive MIDI as well as a photo of my breadboard to elaborate. Here is my code:
#include <MIDI.h>
#include <Adafruit_NeoPixel.h>
#define PIN 6 //Data pin out to LED strip
#define N_LEDS 240 //4 meters of 60LED per meter
MIDI_CREATE_DEFAULT_INSTANCE();
Adafruit_NeoPixel strip = Adafruit_NeoPixel(N_LEDS, PIN, NEO_GRB + NEO_KHZ800);
int LEDLoc[6] = {-1, 60, 109, 158, 207, 238}; //Used to create regions in strip for each drum
void setup() {
strip.begin();
MIDI.begin(MIDI_CHANNEL_OMNI);
MIDI.setHandleNoteOn(nOn);
MIDI.setHandleNoteOff(nOff);
}
void loop() {
MIDI.read();
}
//Two midi notes are assigned to one section of strip to include head and rim shots
void nOn(byte channel, byte pitch, byte velocity) {
if(pitch == 38 || pitch == 40){
att(strip.Color(204, 0, 204), 1); // Snare
}
if(pitch == 48 || pitch == 50){
att(strip.Color(0, 0, 155), 2); // HTom
}
if(pitch == 45 || pitch == 47){
att(strip.Color(0, 155, 0), 3); // LTom
}
if(pitch == 43 || pitch == 58){
att(strip.Color(155, 0, 0), 4); // FTom
}
if(pitch == 36){
att(strip.Color(155, 155, 155), 5); // Kick
}
}
void nOff(byte channel, byte pitch, byte velocity) {
if(pitch == 38 || pitch == 40){
rel(1); // Snare
}
if(pitch == 48 || pitch == 50){
rel(2); // HTom
}
if(pitch == 45 || pitch == 47){
rel(3); // LTom
}
if(pitch == 43 || pitch == 58){
rel(4); // FTom
}
if(pitch == 36){
rel(5); // Kick
}
}
//Turns LEDs on when drum is attacked
static void att(uint32_t c, int d) {
for(uint16_t i=LEDLoc[d-1]+1; i<=LEDLoc[d]; i++) {
strip.setPixelColor(i, c);
}
strip.show();
}
//Turns LEDs off when drum is released
static void rel(int d) {
for(uint16_t i=LEDLoc[d-1]+1; i<=LEDLoc[d]; i++) {
strip.setPixelColor(i, 0);
}
strip.show();
}
I am sure there is something I am misunderstanding about either the wiring or the "setHandleNoteOff" command. Any help would be much appreciated! ![]()

