Hallo Techniker,
folgendes Problem: Ich möchte Arduino-gesteuert
einen kleinen 60W Kondensatormotor schalten, mit Drehrichtungsänderung.
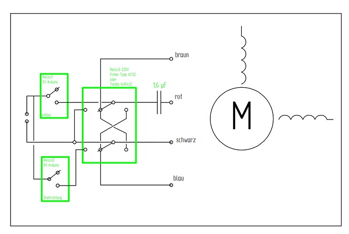
Hier mein Schaltungsaufbau. Bitte verzeiht mir, wenn die Zeichnung nicht ganz normgerecht ist.
Der Motor hat 4 Anschlüsse, der Kondensator ist fest daran gebaut. Zum Schalten der Drehrichtung nutze ich ein 2poliges 220 V Wechselrelais.
Also Drehrichtung vorwärts Verbindung rot/blau und braun/schwarz, Drehrichtung rückwärts Verbindung rot/braun und blau/schwarz.
Irgend wie habe ich wahrscheinlich einen Denkfehler, nach einigen funktionierenden Schaltgängen haut es mir immer die Relais durch.
Relais 1 und 2 ist mit einer Freischaltdiode versehen.
Eine Snubberschaltung könnte vielleicht Abhilfe schaffen, aber ich denke, das Problem ist grundsätzlicher.
Mir ist auch noch nicht ganz klar, wie die 4 Anschlüsse innerhalb des Motors an die beiden Spulen gelegt sind. Deshalb hier nicht eingezeichnet.
Weiß jemand Rat, der sich mit solchen Motoren auskennt? Ich habe lange gesucht, finde aber nix dazu...


