Powering an Arduino Uno and 4G Module Together

Hello, I'm updating an Arduino Phone project. I've already had a working setup but thanks to the switch over from 3G I have to basically tear out the cellular shield portion and replace it in order to keep it working.

Additionally thanks to apparently nobody in the world selling a working American cellular voice shield for Arduino at this point in time I have to make do with the Waveshare Sim7600 Module

which is causing a lot of additional complications in updating the project since I am not too experienced in this.

I've already managed to link the arduino uno and sim7600 together to make a voice call. Now I need to integrate them into the larger setup and preferably figure out how to safely power them through a single source.

The first picture is my old setup with a Sim900 stacked on an Uno. It worked (until the switch from 3G) and is powered entirely by 10AA batteries which appear to be in a 15V configuration. (Larger voltage than I initially intended but it seemed to be fine)

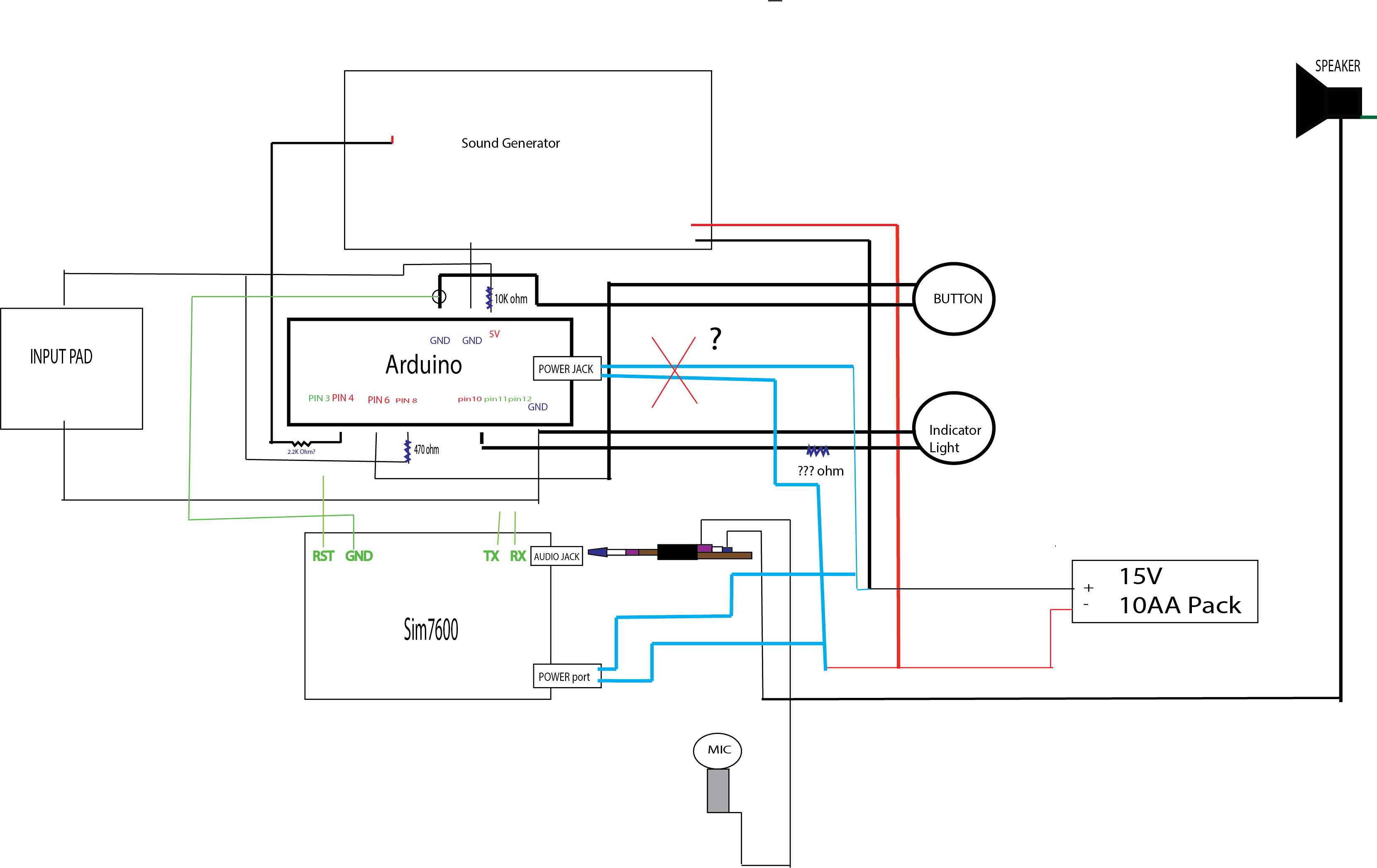
The second picture is my current updated setup with the Uno and Sim7600. The new connections necessary since the Sim7600 cannot be stacked on the Uno are in green. The Sim7600 module operates in 3.3V or 5V with additional soldering. I've looked around for safe voltage ranges but I haven't found documentation on this subject for the module.

I would like some suggestions as to what power source to use and how to safely connect them to power the project thanks.

One thing You SHOULD NOT DO is using the 3.3 volt output of the UNO to feed the SIM700... It doesn't guve out enough current.

The link you provided says the board uses the SPX29302 for power management. That IC can take up to 16V and regulate it down to 3.3V (or 5V is you configure the board) so you current battery pack should work.

Okay bit of an issue here....

I started out small trying to power the sim and arduino through a 7.5V 2amp AC power supply

The sim 7600 barely lighted up and the arduino looked completely unpowered.

Thinking the sim7600 wasn't getting enough juice I tried to power it directly with a 5V 2A-1A charger.

Again nothing powered up which was weird because I've been able to power up the sim7600 with this charger before.

I then set everything up to be powered by the 15V AA pack

Nothing seemed to happen when I flipped the switch.

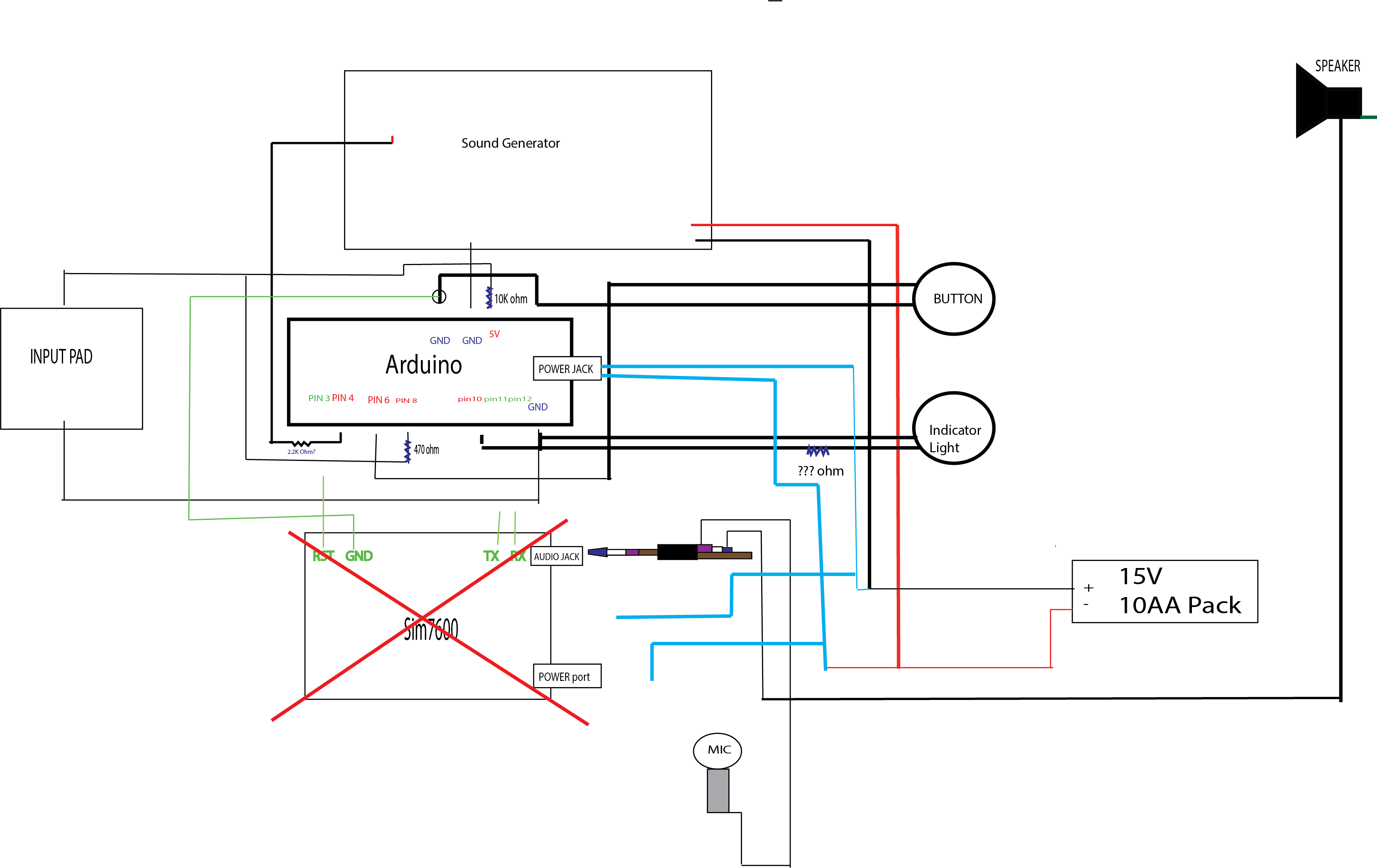
Thinking something downstream was draining power away from the Sim7600 I disconnected its connections to the Arduino and I (may) have disconnected the Arduino itself from the battery I can't remember

Burning smoke from the sim7600. (don't worry this was before your reply) Something went wrong I'm not sure what.

To make sure the Arduino Uno itself was fine I hooked it up to the battery.

And it lit up seemingly fine but I haven't dared to test it more thoroughly.

Is this one no good? I've been using in New Zealand on 4G... no issues.

Doesn't work in the united states . Apparently you need a Sim7600A for this area. I've tried to contact them to make sure but they haven't gotten back.

According to this page...Accessory Fulfillment Center LLC

and this comment from DFRobot
image

it looks like maybe Sprint support TDD-LTE Band 41. Would be good to get confirmation first from the company selling it :slight_smile:

No one has noticed that he is pumping 15V into the Arduino barrel connector? The Arduino needs 5V, and the on-board regulator has to burn off the excessive voltage as heat.

If all of your mystery devices work on 5V, then why not simply use a buck converter to take your battery to 5V?

Isn't there a drop in voltage from the power jack and you have to supply somewhat more than 5V for it to be stable?

Yes, there is. You need 6-9V on the power jack. You can go above that, but you are wasting a lot of energy through the power regulator.
If you follow the advice of @SteveMann, you would run your 15V through a buck converter to lower it to 5V and then that goes directly to the Vin pin on the arduino, not the barrel jack. It can also go directly to your sim board.

jarwulf, I have a working setup with an Arduino and the SIM-7600A HAT module. I also 'upgraded'. from a SIM900 shield because of the 2G/3G future issues.

I am powering the SIM-7600A module directly from the Arduino. (I soldered the resistor across the 5 volt selection bridge.) I am powering the Arduino from a 12 volt battery. It is all working perfectly with an AT&T SIM card. I used the wiring diagram in the Waveshare online guide.

This topic was automatically closed 180 days after the last reply. New replies are no longer allowed.