Mi puente h ya le he esta usando un tiempo y se que funciona pero el problema es que desde la ultima vez que lo use ya no "funciona" el problema es que solo funciona (ya que se enciende el led sin que yo toque nada)
cuando uno las patillas 9 y 11 del chip
¿Pila, qué pila estas usando?
Seguramente por ahi esta el problema. No uses pilas o baterías a menos que sean recargables y te asegures que tenga buena carga.
He probado con una pila de 9 voltios nueva y con una recargable de 9 v recién cargada y pasa lo mismo
El arduino se que no puede ser porque he medido con un multimetro las salidads y me dan los valores correctos
Aqui añado el codigo
//2016.09.23
/*define logic control output pin*/
int in1=7;
int in2=8;
int in3=9;
int in4=10;
/*define channel enable output pins*/
int ENA=6;
int ENB=11;
int v=150;
/*define forward function*/
void adelante()
{
analogWrite(ENA,v);
analogWrite(ENB,v);
digitalWrite(in1,HIGH);//digital output
digitalWrite(in2,LOW);
digitalWrite(in3,LOW);
digitalWrite(in4,HIGH);
Serial.println("Forward");
}
/*define back function*/
void atras()
{
analogWrite(ENA,v);
analogWrite(ENB,v);
digitalWrite(in1,LOW);
digitalWrite(in2,HIGH);
digitalWrite(in3,HIGH);
digitalWrite(in4,LOW);
Serial.println("Back");
}
/*define left function*/
void derecha()
{
analogWrite(ENA,v);
analogWrite(ENB,v);
digitalWrite(in1,HIGH);
digitalWrite(in2,LOW);
digitalWrite(in3,HIGH);
digitalWrite(in4,LOW);
Serial.println("Left");
}0
void izquierda()
{
analogWrite(ENA,v);
analogWrite(ENB,v);
digitalWrite(in1,LOW);
digitalWrite(in2,HIGH);
digitalWrite(in3,LOW);
digitalWrite(in4,HIGH);
Serial.println("Right");
}
/*put your setup code here, to run once*/
void setup() {
Serial.begin(9600); //Open the serial port and set the baud rate to 9600
/*Set the defined pins to the output*/
pinMode(in1,OUTPUT);
pinMode(in2,OUTPUT);
pinMode(in3,OUTPUT);
pinMode(in4,OUTPUT);
pinMode(ENA,OUTPUT);
pinMode(ENB,OUTPUT);
}
/*put your main code here, to run repeatedly*/
void loop() {
adelante();
delay(2000);
atras();
delay(2000);
izquierda();
delay(1000);
derecha();
delay(1000);
}
Es solo un código de comprobación para comprobar que los motores giren en las direcciones correctas.
He probado con otros codigos y no cambia nada
los motroes tampoco son porque he probado a meterles voltaje y si giran.
Muestra las conexiones del puente H L298.

Aca un tutorial para controlar un stepper
Y acá para controlar un motor DC
Siguelo y en base al que se corresponda con el tuyo seguimos conversando sobre algo concreto.
Este comentario me hace pensar que tienes una soldadura fria.
Porque no desconectas todo, y repasas las soldaduras por debajo del L298.
Algo esta suelto y no hace contacto. Mira con una lupa.
Hazlo con todo desconectado.
Gracias por la idea de repasar las soldaduras le echaré un vistazo, pero no entiendo por que se presentaría ese problema tras haber usado un mes el puente h y por cierto mi motor es DC
No ha funcionado le he probado a re soldar todo y sigue haciendo exactamente lo mismo.
Y te sigue funcionando cuando tocas el disipador y lo mueves?
Mira con lupa del lado componentes. Tienes lado soldadura (el que repasaste) y el lado superior o lado componentes. Mira a ver si hay conexiones de ese lado y en todo caso observa con la lupa si se ven bordes vacíos. Si los hay repasa con soldadura, de todos modos lo haria.
No lo muevo solo lo toco.
Le repasare las soldaduras de los componentes , de todas maneras le voy a pedir a un amigo que me preste un puente h porque empiezo a dudar que sea este el culpable.
Algo tiene ese puente H. Un falso contacto seguramente.
Finalmente ,he encontrado una solución
Probando a unir las patas del disipador he detectado que al hacer contacto los motores giraban y soldandolas juntas el problema se ha arreglado
no se exactamente cual es la razón pero funciona correctamente por ahora
He comprobado con otros 2 puentes h diferentes y pasa exactamente lo mismo.
La solución fue lo que te indiqué, no lo que pusiste. Esa fue la consecuencia de mi consejo.
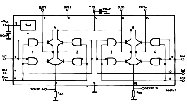
Me resulta raro ya que segun el datasheet del L298N que he encontrado en L298N datasheet(2/13 Pages) STMICROELECTRONICS | DUAL FULL-BRIDGE DRIVER
De esas dos patillas ninguna es GND

Ademas no me gustan las soldaduras remarcadas en verde, las otras dos de la izquierda
no se ven.
No hace falta que haya ahi un gnd porque la patilla 11 es un controlador de velocidad de los motores y va directamente a estos

Añado un esquema de las conexiones internas por si acaso
Tienes razón no se de donde he sacado lo del GND, pero lo que si está claro es que has unido las patillas 9 (que es por done le entran los los 5V para el funcionemiento logico del L298N) con la patilla 11 que es la que habilita que la parte B del puente H.
Por lo que me hace pensar que esa placa está defectuosa al menos en lo que se refiere a la parte de las soldaduras y lo que has hecho con esa soldadura es habilitar permanetemente el Enable B del puente H.
Con la patilla 11 no puedes controlar ninguna velocidad ya que como se ve en la imagen que has puesto es la entrada de unos AND que solo pueden habilitar o deshabilitar dicha parte del puente H.
no puede ser ya que esto mismo me pasa con otros 5 puentes h y no tiene sentido de que este mal la placa.
Otra cosa aparte si yo uso dos puentes h solo hace falta que suelde uno de ellos.
Ahora si lo entiendo, al fijarme mejor en la foto que has puesto, creo que para evitar tener que hacer esa soldadura está el puente marcado en este caso ENB y si quieres habilitar el lado A tienes que puentear el ENA

This topic was automatically closed 180 days after the last reply. New replies are no longer allowed.
