SSR / TRIAC / MOSFET / OPTOCOPPLER ?

Gewebe und Isolierband nutze ich nur bei Schutzkleinspannungen, wenn diese auf dem Tisch liegen. Schutz vor auf dem Tisch.

Wenn es um 230V geht, geht sowas für mich nicht mehr in Ordnung. Dann nutze ich keine Kunstoffrückseite. Beispielsweise für ein 230VAC/24VDC 5A, welches ich für eine Abschlussprüfung gebaut habe, wurde in die Hutschinenhalterung von Phoenix eingesetzt. Alternativ, wenn sowas zu groß ist, eine Kunstoffplatte entsprechend fräsen lassen, sodass an den Platinen rundherum keine Kleinteile eindringen können.

P.S. Falls hier wer auf die Idee kommt, mit Silikon zu isolieren. Finger weg. Das ist keinesfalls dafür geeignet.

skorpi08:
Ich nehme mir diese Rechnung als Beispiel:

Tjmax = 125°C (es gibt bessere!)
Rth = 160 °C/W
Ptot = dT / Rth = (125-50)/160 = 468mW.
Imax = Ptot/dU = 468mW/(24V-5V) = 25mA

Tjmax = 125°C
Rth = steht nix im Datenblatt, die "°C/W" findet man nicht, bzw leer.
Ptot = dT / Rth = (125-50)/160 = 468mW. //kann dann nicht berechnet werden weil Rth fehlt
Imax = Ptot/dU = 468mW/(24V-5V) = 25mA //kann dann nicht berechnet werden weil Ptot fehlt
Hier das Datenblatt.

Das ist nicht das Datenblatt, das ist die Produktseite von reichelt. Das Datenblatt findet sich auf der Produktseite unter den Reiter "Datenblätter & Downloads". Und im Datenblatt findet sich auf Seite 2 die Angabe:
Thermal resistance (Between junction and ambience) Rth (j - a): 40°C/W.

Tjmax = 100°C (es gibt bessere!)
Rth = 40 °C/W
Ptot = dT / Rth = (100-50)/40 = 1,25W

1,25 Watt?
Entweder hab ich falsch gerechnet oder die SSR ist wirklich nicht dafür geeignet. Allein eine LED 230V hat schon 10W und ich hab davon 3 drinnen.

Edit:
ON-state voltage: 1.5
8 Ampere Liefert das Teil
Also 1,5*8=12 Watt/ 1A Lampen können geschaltet werden oder immer noch aufm Holzweg?

Ist wohl am einfachsten dieses Relais zu nehmen:
http://www.elektro4000.de/Neue-Artikel/Relais/Schaltrelais/Schalk-Schaltrelais-rssu12::46765.html

Der Schaltplan würde dann so aussehen, behaupte ich mal.

Taster_Leiterplatte.jpg

Ist da kein Spannungsregler im Programm? :slight_smile:

Gerade gedacht das soll ein Transistor sein. Das ist verwirrend

Ne ist keiner

Hallo,
klein, stark, schwarz?
http://www.musikding.de/Tyco-Mini-Relais-2PDT-12V
Gruß und Spaß
Andreas

skorpi08:
Tjmax = 100°C (es gibt bessere!)
Rth = 40 °C/W
Ptot = dT / Rth = (100-50)/40 = 1,25W

1,25 Watt?

Richtig!
Das SSR kann 1,25W Verlustleistung.
Das hat nichts mit der Leistung der angeschlossenen Verbraucher zu tun!

Entweder hab ich falsch gerechnet oder die SSR ist wirklich nicht dafür geeignet. Allein eine LED 230V hat schon 10W und ich hab davon 3 drinnen.

Edit:
ON-state voltage: 1.5
8 Ampere Liefert das Teil
Also 1,5*8=12 Watt/ 1A Lampen können geschaltet werden oder immer noch aufm Holzweg?

Nahe dran!
Du mußt die 1,25W von oben mit den 1,5V On state Voltage verknüpfen um den maximalen Strom zu kriegen, den dein SSR verkraftet, ohne zu überhitzen:
Imax = 1,25W/1,5V = 0,83A

Deine angeschlossenen Verbraucher dürfen also höchstens 230V *0,83A = 190W haben!
Wir schon einige Male erwähnt: zum Schalten sind Relais besser geeignet.

Kühlkörper!!

uwefed:
Kühlkörper!!

Er hat doch keinen Platz....

(Relais ist sowieso besser zum Schalten)

Schalk-Stromstoßrelais:

Schalk-Schaltrelais:
http://www.elektro4000.de/Neue-Artikel/Relais/Schaltrelais/Schalk-Schaltrelais-rssu12::46765.html
Die von Schalk sind alles SSRs oder?

Halbleiter-Relais:
http://www.voelkner.de/products/37831/Halbleiter-Relais-264V-AC-1A-2a-Aqg22224.html //24V
http://de.mouser.com/ProductDetail/Panasonic-Electric-Works/AQG22112/?qs=g5ciJ0jwZaG0Rzv8MSoApA== // 12V

Muss was zusätzliches bei den Halbleiter-Relais verbaut werden? Widerstände... etc
Welches und wie verdrahtet?

Bei allen drei Modellen steht dass die Schließer sind, was bedeutet dies und was ist dann wechsler und öffner?
Anzahl der Kontakte als Öffner: 0
Anzahl der Kontakte als Schließer: 1
Anzahl der Kontakte als Wechsler: 0

Ich denke es ist so:
Schließer: wenn Schalter auf ON dann leutet die Lampe
Öffner: wenn Schalter auf OFF dann leuchtet die Lampe
Was ist dann wechsler?

Hallo,
Gruß und Spaß
Andreas

Bildschirmfoto 2014-03-28 um 13.14.png

skorpi08:
Schalk-Stromstoßrelais:
Schalk Impulsschalter ISS U1
Schalk-Schaltrelais:
http://www.elektro4000.de/Neue-Artikel/Relais/Schaltrelais/Schalk-Schaltrelais-rssu12::46765.html
Die von Schalk sind alles SSRs oder?

Nein, das sind echte, mechanische Relais.
Zu daten am besten immer direkt beim Hersteller schauen: http://www.schalk.de/relais-impulsschalter/articles/rss-u1.html

Halbleiter-Relais:
http://www.voelkner.de/products/37831/Halbleiter-Relais-264V-AC-1A-2a-Aqg22224.html //24V
http://de.mouser.com/ProductDetail/Panasonic-Electric-Works/AQG22112/?qs=g5ciJ0jwZaG0Rzv8MSoApA== // 12V

Muss was zusätzliches bei den Halbleiter-Relais verbaut werden? Widerstände... etc
Welches und wie verdrahtet?

Wie bei jedem Relais (das nicht mit 5V <40mA angesteuert wird) brauchst du eine Treiberstufe um die Relais anzusteuern:
Widerstand, NPN Transistor, Widerstand, (+ Diode bei mechanischen Relais).
Vor allem, um die höhere Spannung (12V/24V) zu schalten.

Bei allen drei Modellen steht dass die Schließer sind, was bedeutet dies und was ist dann wechsler und öffner?
Ich denke es ist so:
Schließer: wenn Schalter auf ON dann leutet die Lampe
Öffner: wenn Schalter auf OFF dann leuchtet die Lampe
Was ist dann wechsler?

Schliesser: Spule bestromt, Kontakt geschlossen
Öffner: Spule bestromt, Kontakt offen
Ein Wechlser ist quasi Schliesser + Öffner gleichzeitig.

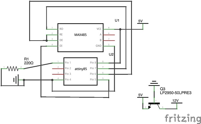
Kann man nicht +12V vom Bus nehmen und mit GND vom Pin des AtTiny schalten?
hatte ich eigentlich so in der Zeichnung gemacht.
Da braucht man auch kein Transistor, nach meinem Verständnis.
GND vom Bus (mit 12V) läuft ja auch da wo 5V durchläuft.

http://bildr.org/2012/03/rfp30n06le-arduino/
Widerstand so wie auf dem Bild anbringen ja?
Von Gate zum GND und Gate zum ArduinoPin.
Welchen Widerstand nehmen, wovon hängt es ab?
Bei der Lampe ist aber keine Diode, muss/sollte/darf auch nicht?

Du kannst den Spulenstrom nicht über den Controller fließen lassen.

Die Lampe hat keine Freilaufdiode weil sie keine induktive Last ist:

EDIT:
Für ein Relais tut es aber ein NPN in einem TO-92 Gehäuse. Dafür brauchst du den Pulldown nicht, aber einen Basiswiderstand von ca. 1k zwischen dem µC-Pin und Basis.

skorpi08:
Kann man nicht +12V vom Bus nehmen und mit GND vom Pin des AtTiny schalten?

Nein, das zerstört den Arduino.

Du brauchst einen Transisitor und eine Diode am Relais.
Relay.jpg

skorpi08:
Kann man nicht +12V vom Bus nehmen und mit GND vom Pin des AtTiny schalten?
hatte ich eigentlich so in der Zeichnung gemacht.
Da braucht man auch kein Transistor, nach meinem Verständnis.
GND vom Bus (mit 12V) läuft ja auch da wo 5V durchläuft.

Das bestärkt mich wieder in dem Ratschlag daß Du dieses Projekt lieber sein lassen sollst, weil Dir grundlegendes Wissen über Elektrizität und Elektronik fehlt.
Grüße Uwe

hi,

im ernst, was spricht dagegen, daß Du 12V-LED-lampen nimmst? ein 5V/12V-netzteil davor, und Du bringst schlimmstenfalls den arduino um, aber nicht Dich. und auch der arduino hat bessere überlebenschancen, weil 12V viel leichter zu händeln sind. außerdem sparst Du strom und hast keine probleme mit der versicherung.

gruß stefan

Ich merks schon, ihr habt mich sehr gern, in euer Herz geschlossen :slight_smile:

Ich würd ja in meinem Haus vielleicht auch auf 12V umsteigen aber andere die meine Taster auch haben wollen, wollen bei 230V bleiben.
Wieso würde der GND von 12V den Arduino killen?!
Auf dem Bild das ich gepostet hab ist doch genau so und nicht anders!?

EDIT:
http://bildr.org/blog/wp-content/uploads/2012/03/rfp30n06le-arduino-lightbulb.png
Wenn der GND von 60V den Arduino NCIHT KILLT!!!! WARUM dann bei 12V?!

Habe eine Stroboskoplampe so aufgebaut wie auf dem Bild mit 12V.

Gunther, Vielen Dank für die Erklärung wo die Diode und der Widerstand hinkommt.
Serenifly meinte bei Lampen braucht man keine Diode, was sagst du dazu?

skorpi08:
Ich würd ja in meinem Haus vielleicht auch auf 12V umsteigen aber andere die meine Taster auch haben wollen, wollen bei 230V bleiben.

Zu Deiner finanziellen Sicherheit: verkaufe oder verschenke keine Deiner Taster.
grüße Uwe