Hi All,
I need to make 3 phase BLDC motor control of position. Rotate by any angle.
I searched the Internet and did not find a project how to control the angle but with high accuracy(0.1~0.3 degree).
The purpose is to create manipulator.
Do you guys know of any good tutorials that will be helpful for me?
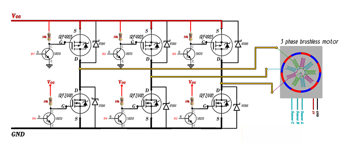
The main part that I used in my schematic design:
. 1 x Arduino NANO
. 3 x IRFZ44N
. 3 x IRF4905
. 6xS8050 NPN
. 6x 10k Resistors
. 1xBLDC gimbal motor
Attached you can see schematic design.
Thanks,
