Hi Everyone!
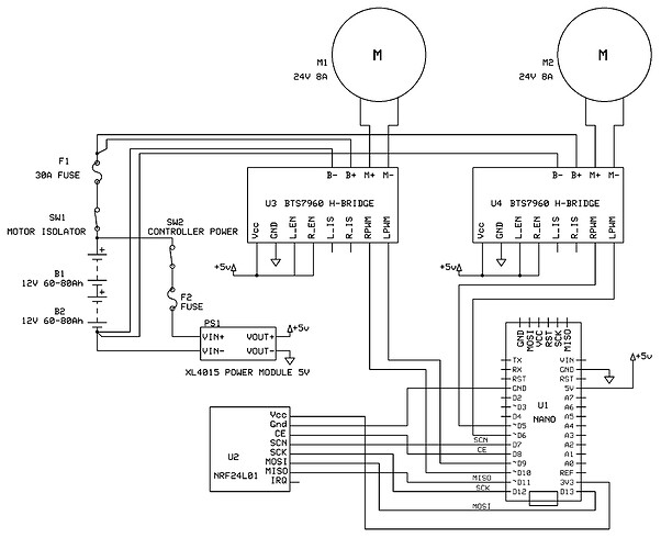
I'm on my way to do a lawnbot using wheelchair motors. Steel frame is ready, arduino is wired but during tests I burned 2 BTS 7960 and I do not know realy why. I have a suspicion, but I'm a civil engineer, not an electric specialist, so I would like to share my problem with You.
2 arduinos connecting each other by nrf24L01. Steering is a joy with a potenciometer - working as power limiter. I have tested communication before, everything worked pretty ok. Lawnbot will be powered by 2 car batteries in series. For now, I have tested it using my laboratory power source.
First of all, I tested BTS using car bulb - it worked. After connecting wheelchair motor and a few tests (10 times forward and backward) in minimal power (2A -3A max) BTS burnout - a lot of heat from BTS without motor moving.
I have some ideas, but maybe somebody could help me before I check all of them and burn a box of BTS.
- Not enough power after motor starts from my laboratory power source. Not stable voltage in arduino can get errors during operations. - after using car battery or independent power source to Arduino it can be fixed?
- Wrong code - see below.
- Changing directions in motor rapidly causes cross conduction. Someone mentioned this problem here: IBT-2 H-Bridge with Arduino – Dr Rainer Hessmer : "The H-bridge does provide a delay (switch on/off delay / slew rate), which would prevent the cross-conduction issue if you could send both PWM signals at the same time. But because of the time arduino takes to process the line of code (analogWrite in this case) it will still cause cross-conduction.
I don’t have the exact numbers anymore, but the build-in delay is about 4/6 ms (depending on resistance and temperature) and the delay time between the 2 lines of code is about 4-8 ms. This sometimes causes an overlap, resulting in crossconduction." - Have to use soft start code.
I have spent a lot of time looking for solutions but still nothing.
#include <SPI.h>
#include <nRF24L01.h>
#include <RF24.h>
#define S1F 5
#define S1B 6
#define S2F 9
#define S2B 10
RF24 radio(8, 7); // CE, CSN
const byte address[6] = "00001";
int data[3];
unsigned long lastReceiveTime = 0;
unsigned long currentTime = 0;
int xAxis = 510; // Forward/backward, 1023 - full forward, 0 - full backward
int yAxis = 510; // Left/right, 0 - full left, 1023 - full right
int lAxis; // limiter
int motorSpeed1F = 0;
int motorSpeed1B = 0;
int motorSpeed2F = 0;
int motorSpeed2B = 0;
void setup() {
pinMode(S1F, OUTPUT); // PWM motor 1 Forward
pinMode(S1B, OUTPUT); // PWM motor 1 Backward
pinMode(S2F, OUTPUT); // PWM motor 2 Forward
pinMode(S2B, OUTPUT); // PWM motor 2 Backward
radio.begin();
// radio.setChannel(81);
radio.setPALevel(RF24_PA_HIGH);
radio.setDataRate(RF24_250KBPS);
radio.openReadingPipe(0, address);
radio.startListening();
Serial.begin(9600);
}
void loop() {
currentTime = millis();
if ( currentTime - lastReceiveTime > 1000 ) {
resetData();
}
if (radio.available()) {
radio.read( data, sizeof(data) );
xAxis = data[0];
yAxis = data[1];
lAxis = data[2];
Serial.println("xAxis:");
Serial.println(xAxis);
Serial.println("yAxis:");
Serial.println(yAxis);
Serial.println("lAxis:");
Serial.println(lAxis);
lastReceiveTime = millis();
}
// OŚ X - BACKWARD < 490 (set medium = 510 +-20)
if (xAxis < 490) {
digitalWrite(S1F, LOW); // disable forward motor 1
digitalWrite(S2F, LOW); // disable forward motor 2
motorSpeed1B = map(xAxis, 490, 0, 0, 255); // set pwm backward motor 1
motorSpeed2B = map(xAxis, 490, 0, 0, 255); // set pwm backward motor 2
}
// OŚ X - FORWARD > 530
else if (xAxis > 530) {
digitalWrite(S1B, LOW); // disable backward motor 1
digitalWrite(S2B, LOW); // disable backward motor 2
motorSpeed1F = map(xAxis, 530, 1023, 0, 255);
motorSpeed2F = map(xAxis, 530, 1023, 0, 255);
}
// else do nothing, set zero all PWM
else {
motorSpeed1F = 0;
motorSpeed1B = 0;
motorSpeed2F = 0;
motorSpeed2B = 0;
digitalWrite(S1B, LOW);
digitalWrite(S2B, LOW);
digitalWrite(S1F, LOW);
digitalWrite(S2F, LOW);
}
// OŚ Y - TURN RIGHT, LEFT
if (yAxis < 490) // turn LEFT
{ int xMapped = map(yAxis, 490, 0, 0, 255);
// Backward - motor 1 minus
if (xAxis < 490) {
motorSpeed1B = motorSpeed1B - xMapped;
motorSpeed1F = 0;
motorSpeed2F = 0;
if (motorSpeed1B < 0 ) {
motorSpeed1B = 0;}
}
// Forward - motor 1 minus
if (xAxis > 530) {
motorSpeed1F = motorSpeed1F - xMapped;
motorSpeed1B = 0;
motorSpeed2B = 0;
if (motorSpeed1F < 0 ) {
motorSpeed1F = 0;
}
}
}
if (yAxis > 530) // turn RIGHT
{ int xMapped = map(yAxis, 530, 1023, 0, 255);
// Backward - motor 2 minus:
if (xAxis < 490) {
motorSpeed2B = motorSpeed2B - xMapped;
motorSpeed1F = 0;
motorSpeed2F = 0;
if (motorSpeed2B < 0 ) {
motorSpeed2B = 0;}
}
// Forward - motor 2 minus
if (xAxis > 530) {
motorSpeed2F = motorSpeed2F - xMapped;
motorSpeed1B = 0;
motorSpeed2B = 0;
if (motorSpeed2F < 0 ) {
motorSpeed2F = 0;
}
}
}
if (lAxis < 1024) // limiter
{ int lMapped = map(lAxis, 0, 1023, 100, 0);
motorSpeed1F = motorSpeed1F * lMapped/100;
motorSpeed1B = motorSpeed1B * lMapped/100;
motorSpeed2F = motorSpeed2F * lMapped/100;
motorSpeed2B = motorSpeed2B * lMapped/100;
}
analogWrite(S1F, motorSpeed1F);
analogWrite(S1B, motorSpeed1B);
analogWrite(S2F, motorSpeed2F);
analogWrite(S2B, motorSpeed2B);
Serial.println("motor A:");
Serial.println(motorSpeed1F);
Serial.println(motorSpeed1B);
Serial.println("motor B:");
Serial.println(motorSpeed2F);
Serial.println(motorSpeed2B);
}
void resetData() {
xAxis = 510;
yAxis = 510;
Serial.println("resetData");
}





