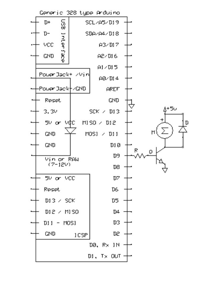
I began several motor-related project recently with a new Arduino Uno, starting with several tutorial circuits included in the Vilros Arduino guide. The circuit in question is #10, a simple DC motor circuit with a transistor switch (Imgur: The magic of the Internet). The Arduino is being powered for the moment via USB.
The circuit, completed according to the diagram, does not work. The voltage across the transistor base does not seem to be sufficient to activate the switch with the motor in the circuit. The motor itself is being driven from the 5V out on the board, but the transistor is controlled by a current from Pin 13 running across a 330 ohm resistor to the transistor base. There is a closed circuit from Port 13 to ground, but no current between the 5V out/motor/collector and the base. Bypassing the collector/base gap entirely with a piece of metal does complete the circuit and activate the motor.
For some reason, the transistor will switch properly when the motor is replaced by a simple LED. AND, switching the cable from Pin 13 to the +5V out is enough to activate the transistor switch. I was under the impression that the transistor should only need to be .7V above the common grounded element no matter what current is flowing through the collector, but I might be mistaken.
And, even more bizarrely, with a cable running from +5V (instead of the pin) to the transistor base (through a resistor), a voltmeter across the DC motor is reading a potential difference of anywhere from 9V to 1702V (see Imgur: The magic of the Internet, yes, with 4 digits). The multimeter is otherwise working normally, so I don't see a good explanation. It is also curious that the Arduino disconnects from the PC whenever the circuit is completed with the motor in it, so the Arduino is perhaps overdrawing from the USB.
Is the Arduino pin just incapable of providing sufficient current/voltage to activate the transistor, or am I missing something obvious. Does the base voltage depend on the current through the connector? And does anyone have some idea why the voltmeter is reading so high and fluctuating so wildly across the battery?
This is both a motor and transistor question, so I apologize if it's not exactly relevant to this board.
The transistor included was not the one listed, but a common MPS2222A.
Thanks
