Module ESP32 S3 non reconnu

bonsoir,

je bosse une PCB pour un lecteur MP3 a base ESP32 S3.

il y a un système de charge a base de TP4056 et protection contre surcharge et décharge profonde (DW01 et FS8205). En rédigeant ce message je viens d’identifier un problème, les pins 6-7 du FS8205 ne sont pas reliées au GND, je viens de rajouter un fil qui fait la liaison, ça charge … mais les led ne s’allument pas (avant j’avais toujours le stand by d’allumé …). Il faut que je test la led de charge, au multimetre elle ne réagit pas … a voir …

Un autre souci un peu plus génant celui là … c’est que le module n’est pas reconnu par l’ordi. L’ESP32 S3 a des pins D+ et D- qui permettent de se passer d’un convertisseur serial/usb. Certains schéma ne mettent rien, d’autres des condensateurs en dérivation, d’autres des diodes en dérivation …. Est ce que ça pourrait venir de quelque chose comme ça ?

J’ai refais mes soudures au flux sur le connecteur usb C car c’est vraiment petit et il peut vite y avoir un court circuit. Est ce qu’il y aurait un test pour vérifier si les branchements sont ok, si le module est HS ou autre ?

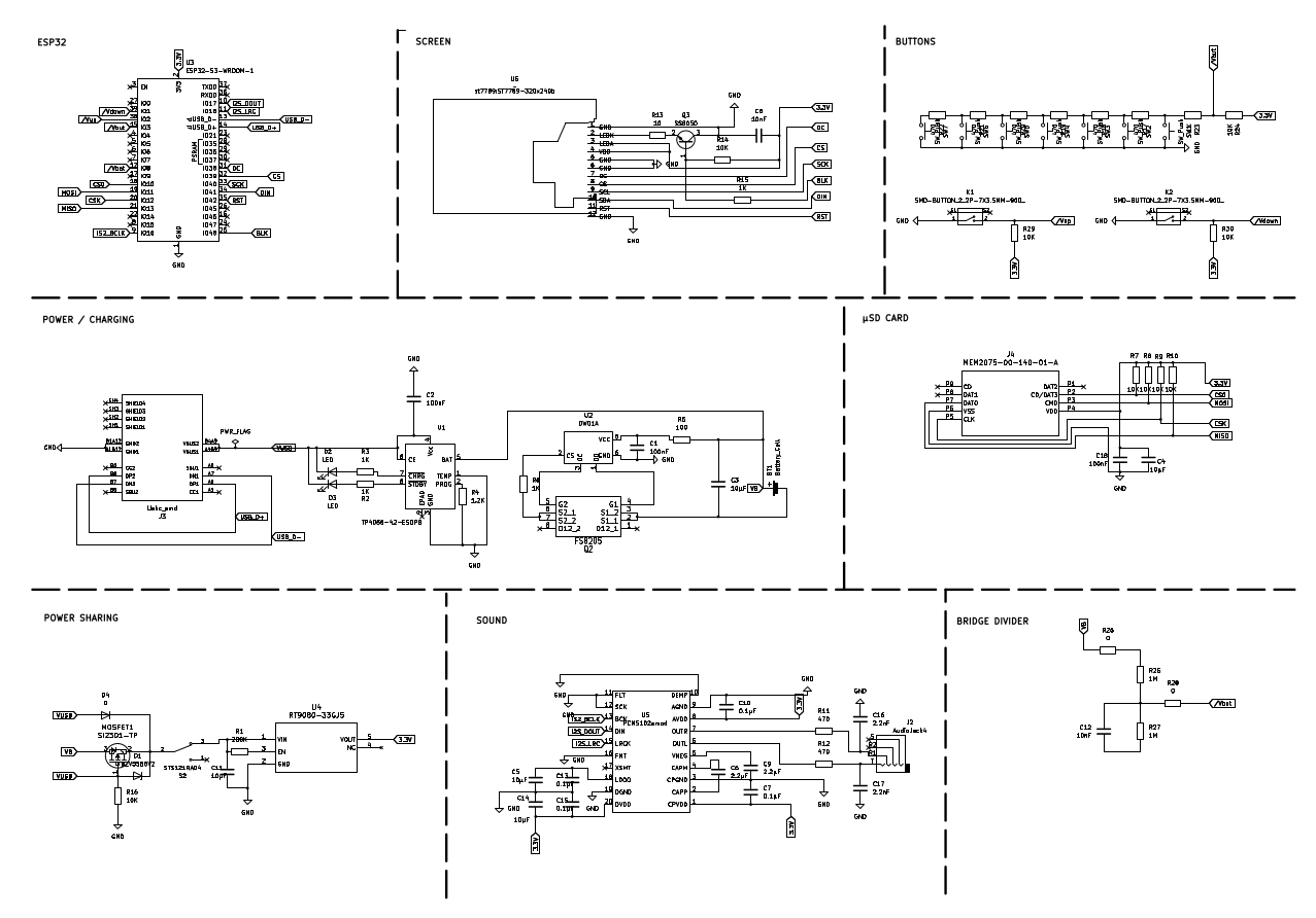
Je mets en pièce jointe le schema électronique en pièce jointe ainsi qu’une image de la PCB.

Merci d’avance :slight_smile:

Bonsoir

Pas de réseau RC et de BP pour le reset , entrée EN, du module ESP32-S3-WROOM ?
c'est indispensable si l'on parle de la même chose :


Avec EN en l'air l'ESP32 a peu de chance de démarrer correctement

Il manque l'indispensable condensateur (au moins 1µF) en sortie du LDO RT9080-33 pour assurer la stabilité . As-tu mesuré la tension en sortie, l'as tu observée à l'oscilloscope ?
As-tu consulté la data sheet du RD9080 ?

bonsoir, merci pour ce retour. Pour les éléments sur la broche EN j’avoue que je n’ai pas forcément fait super attention a cette partie :confused:

De même pour les condensateurs en sortie du RT9080. Je n’ai pas d’oscilloscope, mais la tensions mesurée en sortie est a 3.3v.

je fais les corrections et je reposte le schema, j’ai déja vu une coquille sur le schema déja posté (la broche 6 du DW01a était relié au GND au lieu d’etre relier au négatif de la batterie … )

Je corrige ça

Au niveau de l'embase USB-C il manque les indispensables résistances de 5,1k entre les bornes CC1 et CC2 et la masse .

De même pour les condensateurs en sortie du RT9080. Je n’ai pas d’oscilloscope, mais la tensions mesurée en sortie est a 3.3v.

Quand l'ESP32 démarrera il faut espérer que, sans condensateur, ça reste constamment à 3,3V !

voila ce a quoi j’arrive

schematic v2.pdf (132.7 KB)

En cherchant des infos sur les résistances de 5.1K pour l’usb C, je suis tombé sur ce poste

usb c - Are USB type C pull resistor neccesary on CC and SBU pins? - Electrical Engineering Stack Exchange le gars évoque également une résistance entre D+ et 3.3v si le chip n’a pas de pull down. Dans la datasheet de l’esp 32 S3, page 29 je crois comprendre qu’il l’a.

En tout cas, sans toutes ces modifications, pas sur que l’ESP démarre :sweat_smile: donc quitte a refaire la PCB, autant inclure les condensateur pour stabiliser les 3.3V :slight_smile:

Si je devasi faire ma carte avec un module ESP32-S3-WROOM1 je tiendrais compte :

Du schéma 'Peripheral Schematic' proposé dans la Data Sheet du module en enlevant le composants optionnels,

Mais aussi du schéma d'une carte de confince utilisant ce module , la carte LOLIN S3

De ce dernier schéma je conserverai aux côtés du module :
C1 juste en sortie du LDO préféré,
C6 et C7 à proximité du module, découplage d'alimentation,
R3 et C3 et le BP pour le signal EN (Reset),
un BP sur GPIO0 pour permettre le forçage manuel en mode Bootloader en cas de besoin,
Les résistances de 5,1k sur l'embase de l'USB natif ainsi que sur la seconde embase USB si je décidais de mettre un CH340

Tu ne fais pas de prototypage sur une carte d’essai, avant de lancer une production de PCB ?

C’est ma premiere “vraie” pcb, je suis peut etre parti un peu la fleur au fusil …

j’ai fait un test sur bread board avant de me lancer dans tout ça, mais c’est avec une carte ESP32 deja toute faite, un module audio tout fait, un lecteur de carte sd tout fait.

Si je devais faire l’équivalent de ce montage sur une bread board, il faudrait que je fasse produire des pcb pour chacun des élements du circuits pour les mettre sur une bread bard ?

  • esp32-S3
  • pcm5102a (module audio)
  • DW01a
  • FS8205
  • TP4056
  • RT9080
  • slot carte sd
  • prise usb c

La avant de relancer une production, je vais essayer de rajouter ça à ma carteen soudant des fils, le plus chaud risquant d’etre les deux résistances de l’usb C … c’est vraiment petit comme pastille

C’est déjà bien d’avoir fait un prototype sur breadnoard même avec des modules.
Normalement non tu n’est pas obligé de produire un pcb(mais quoi que :slight_smile: ), tu peux utiliser des PCB déjà fait qui permettent de souder des composants pour une empreinte donné.
par exemple pour un esp32 VROUM ou standard tel que SOP-8 et qui sont compatible avec la breadboard

Après tu peux avoir un PCB pour 2€, donc tu peux aussi te faire un PCB intermédiaire suffisamment configurable.

Q3 est monté à l'envers son émetteur devrait être à la masse.
Il manque un poussoir sur GPIO0 pour forcer le mode bootloader.

Faire un "circuit imprimé" est tentant, c'est un peu magique.
Faire un "circuit imprimé" n'est pas si facile qu'il y parait.
Je ne conseille ni ne déconseille, je préviens, je communique, au final, c'est toi qui décideras.

Faire un bon "circuit imprimé" pour accueillir des modules est un travail respectable qui demandera de la sueur et de la réflexion.

Réussir un "circuit imprimé" avec une bonne gestion des masses et des découplages des modules est déjà un très bon travail.
Conseil : ne te laisse pas aller à la facilité, utilises uniquement des composants CMS qui sont de meilleure qualité que les composants à piquer et qui de plus ne transforment pas le plan de masse en gruyère avec les nombreux vias pour passer les "pattes"..

Refaire une carte microcontrôleur est d'un autre niveau.
Outre le fait que de plus en plus de composant ont un fond de boîtier à relier à la masse, donc four à refusion obligatoire, en matière de taille, tu rivaliseras difficilement contre des professionnels aguerris et question prix, tu paieras en euros tes composants achetés par 1 ou 5 alors qu'eux les paieront en centimes parce qu'ils les achètent par kilos.

Je ne le ferai pas. Mais si c'est par plaisir, pourquoi pas, il faut toujours être un peu aventurier.

C'était mes 5cts.

effectivement je m’étais basé sur ce schematic, et y pas besoin d’aller chercher bien loin pour voir que c’est pas bon …

donc le mot d’ordre, quand on ne maitrise pas tout (ce qui est totalement mon cas) faut pas s’arreter a une source …

@68tjs j’ai bien vu que c’était très compliqué, d’autant plus quand on ne maitrise pas tous les composants qu’on utilisé (ce qui est mon cas :sweat_smile: ). Beaucoup de choses que je découvre, et encore tellement a apprendre, mais je fais pour “m’amuser”. Je m’en fiche de rivaliser avec les pros, je veux juste voir si je suis capable d’arriver à faire quelque chose qui fonctionne. Je pourrais très bien me contenté de mettre une carte ESPs3, un module audio, un lecteur de carte et zou ! ça serait a peine plus gros que la pcb que je dessine ( c’est d’ailleurs ce que j’ai fait après la bread board en guise de “proof of concept”) mais c’est moins fun.

@terwal les pcb sont pas cher effectivement, mais les frais de port … beaucoup moins ^^ J’ai tenté de faire les rajouts pour le reset/boot/ condensateur de découplage et les résistances de l’usb C … ça ne fonctionne toujours pas … mais je suis pas sur de mes soudures sur l’usbc…

la mise a jour du schema et de la PCB

schematic v3.pdf (137.4 KB)

PCB.pdf (114.9 KB)

Remarque générale : il y a des pistes vraiment fines.
Mécaniquement, elles seront fragiles.
Plus une piste est fine, plus elle est résistive et inductive.

Module ESP32.

Tu as l'équipement qui va bien pour souder le fond du module sur le circuitimprimé ?

je suis en 0.15 pour les signaux et 0.4 (parfois 0.3 quand c’est étroit) pour les pistes d’alimentation.

Je ne comprends pas trop la “fragilité” mécanique des pistes. Bêtement je me dis qu’elles sont sous une couche, elles sont protégées. Pour le coté résistance et inductance … par rapport a ce que je veux faire, je sais pas trop si je suis dans les clous ou pas :sweat_smile: Mais sinon l’idée c’est de passer a une taille supérieur (j’ai vu passer 0.25 dans mes recherches) quand c’est possible ?

Pour le fond du module j’ai de la pate a souder et une station a air chaud. C’est pas le plus pratique, y a encore des fois où ça prend pas, mais ça fini par le faire.

Sinon idée du soir, j’ai rajouté des pastilles RX TX et pour l’alimentation, pour tester de communiquer en UART avec le module si jamais l’usb ne fonctionne pas non plus sur la prochaine version