PWM Fading array of parallel LEDs, with one Resistor?

Hello guys. Before I'm building up the circuit, I wish to confirm that the schematic and calculation are on the right path. I want to control a total of 16 LEDs (RGB), fading each Red, Green, Blue by 3 PWM from arduino. Hence, I used 3 TIP120 to source these LEDs, which parallel built, and end up just using an individual resistor, with high Watt sustain. Below is the schematic, please advice if this will work?
Thank you so much for helping.

That shows a TIP120 Sinking current. Should have a resistor/LED to control current in each one.
I'd recommend a N-channel MOSFET instead

Will run a lot cooler with that much current.
I have 32 of them on this board, here fading 9-LED strips up & down

http://www.crossroadsfencing.com/BobuinoRev17/

Thanks for the recommendation.
My question is, can I just using only 1 central resistor? Instead of each LED has to series with a resistor.
And, can i just use this TIP120?? :confused:

thumthum:
My question is, can I just using only 1 central resistor? Instead of each LED has to series with a resistor.

No.

LEDs as you know are diodes; once the forward voltage (Vf) is reached the diode or LED will start conducting current with a very rapid increase. The problem is that due to manufacturing inaccuracies your LEDs will not all have the same exact Vf and the LED with the lowest Vf will hog all of the current (and burn out). This then causes a cascading failure throughout all of the LEDs and everything goes poof.

Chagrin:
No.

LEDs as you know are diodes; once the forward voltage (Vf) is reached the diode or LED will start conducting current with a very rapid increase. The problem is that due to manufacturing inaccuracies your LEDs will not all have the same exact Vf and the LED with the lowest Vf will hog all of the current (and burn out). This then causes a cascading failure throughout all of the LEDs and everything goes poof.

So which means i should/mandatory to use a single resistor in series for all the LEDs? I have 16 RGB LEDs to control, which is Red x 16, Green x 16, Blue x 16, =48 Resistors total to use.

If i using that much resistors, it is no problem for me to parallel all the LEDs right?? Since voltage is same across all LEDs, but at the end the current is sum up, am I right?

thumthum:
So which means i should/mandatory to use a single resistor in series for all the LEDs? I have 16 RGB LEDs to control, which is Red x 16, Green x 16, Blue x 16, =48 Resistors total to use.

If i using that much resistors, it is no problem for me to parallel all the LEDs right?? Since voltage is same across all LEDs, but at the end the current is sum up, am I right?

That's fine. The only caveat I see is that your RGB LEDs must be the six terminal type with an independent anode and cathode for each of the three encased LEDs, not the four terminal type with a common cathode or anode, otherwise there is no way to make this work. I assume you have the six terminal types and what you describe now will work fine, you just end up with control over the three banks of LEDs, not individual LEDs, but again, that seems to be what you want to do.

Good thing resistors are so cheap - you end up using quite a few of them with LED projects.

One thing you can do to use fewer resistors, is to power it from a higher voltage, and then put several LEDs in series with one resistor. The current in a series circuit is the same through all the components, so the problems with parallel diodes are eliminated. But 16 LEDs would require a fairly high voltage. You could cluster them in smaller groups so you have maybe 4 strings of 4 LEDs.

JoeN:
That's fine. The only caveat I see is that your RGB LEDs must be the six terminal type with an independent anode and cathode for each of the three encased LEDs, not the four terminal type with a common cathode or anode, otherwise there is no way to make this work. I assume you have the six terminal types and what you describe now will work fine, you just end up with control over the three banks of LEDs, not individual LEDs, but again, that seems to be what you want to do.

Good thing resistors are so cheap - you end up using quite a few of them with LED projects.

That's the major problem!!Haha. I have all these RGB LEDs in 4 terminal package only!! And common anode.
That's why I have to supply common 5V to all of them, then using resistor to limit their voltages and current.

Hi,

That's fine. The only caveat I see is that your RGB LEDs must be the six terminal type with an independent anode and cathode for each of the three encased LEDs, not the four terminal type with a common cathode or anode, otherwise there is no way to make this work. I assume you have the six terminal types and what you describe now will work fine, you just end up with control over the three banks of LEDs, not individual LEDs, but again, that seems to be what you want to do.

Why!!!!
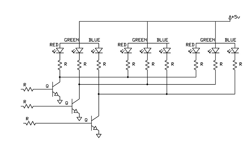
See attached..

Tom..... :slight_smile:

Why not use constant-current LED drivers - you get 16 channel drivers like stp16cps05
with built in shift registers. Some do PWM as well, I forget the part numbers.

No series resistors needed with constant-current drivers (but you will need to
look out for power dissipation limits in the chip).

I agree with TomGeorge above. You can easily use 4-terminal RGB LEDs in parallel as long as the current-limiting resistors, and his circuit is spot on. Yes, you're going to need a lot of resistors, but they don't have to be high-power types. Most of the time 1/4W resistors are just fine, but you'll want to do the calculations based on your desired drive current.

TomGeorge:
Hi,

Why!!!!
See attached..

Tom..... :slight_smile:

Thanks Tom. That was my initial schematic. But then I thought what if they can share a single resistor, instead of using so much of resistors. (save works!)

MarkT:
Why not use constant-current LED drivers - you get 16 channel drivers like stp16cps05
with built in shift registers. Some do PWM as well, I forget the part numbers.

No series resistors needed with constant-current drivers (but you will need to
look out for power dissipation limits in the chip).

Hi MarkT, I'm not planning to use 16 channel. All I need is merely 3 PWM, to simultaneously control/fading multiple LEDs. Thanks for your suggestion, I'll put that in note.

thumthum:
So which means i should/mandatory to use a single resistor in series for all the LEDs? I have 16 RGB LEDs to control, which is Red x 16, Green x 16, Blue x 16, =48 Resistors total to use.

Have you considered using surface mount resistors? You can solder them between adjacent tracks on strip board very easily.

Another option is resistor networks:
4 isolated 220 resistor example

The voltage across an LED has a negative temperature coefficient. IE, the voltage drop goes down as it heats up.

So for high current levels and a lot of LEDs, one may begin heating up, hogging current. Maybe enough to damaged it or destroy it.

Keep in mind, too, that different color LEDs have different voltage drops.

TomGeorge:
Hi,

Why!!!!
See attached..

Tom..... :slight_smile:

Whoops. I don't know what I was thinking but somehow I didn't visualize that in my brain. Yeah, that should be fine. I was remembering that the common anode/cathode version doesn't work for certain designs and now I remember that it doesn't work for matrix designs with a duty cycle. In a 1:1 duty cycle it works fine, of course. MY ERROR. Original poster please ignore what I said. You will be fine.